EasyManua.ls Logo

Marantz SR-19EX - Page 16

Marantz SR-19EX
63 pages
Print Icon
To Next Page IconTo Next Page
To Next Page IconTo Next Page
To Previous Page IconTo Previous Page
To Previous Page IconTo Previous Page
Loading...
25 26
111
12
22
23
33
34
44
+
+
-
+
-
+
-
+
-
+
-
+
-
+
-
+
-
+
+
-
+
-
+
-
+
-
+
-
+
-
J601
J602
Q605
CD96
CD97
CD98
C680
AD
R699
QH01-2
RH10
RH02
RH06
CH06
CH18
CH91
CH92
CH94
LH92
LH91
RH31
RH32
RH33
RH34
CH32
CH31
RH41
RH39
CH35
CH37
CH33
QH31-1
QH32-1
RH37
RH35
RH38
CH34
RH36
CH36
RH40
CH38
CH47
CH48
QH31-2
RH42
RH43
RH44
RH49
RH51
RH45
RH46
CH40
CH39
RH47
CH42
CH41
CH43
CH44
CH50
CH49
RH53
RH54
CH45
CH46
RH55
RH56
QH32-2
RH61
RH62
RH63
RH64
RH65
RH66
RH67
RH68
RH69
RH70
RH71
RH72
RH73
RH74
RH75
RH76
RH77
RH78
RH79
RH80
RH81
RH82
RH83
RH84
RH85
RH86
CH61
CH62
CH63
CH64
CH65
CH66
CH67
CH68
CH69
CH70
CH71
CH72
CH73
CH74
CH75
CH76
CH77
CH78
CH79
CH80
RJ03
RJ01
CJ01
RJ11
RJ09
RJ05
CJ07
CJ05
QJ01-1
CJ03
RJ07
RJ19
RJ21
RJ13
CJ09
RJ15
CJ13
QJ02-1
CJ11
RJ17
RJ23
CJ15
RJ25
RJ04
CJ02
RJ02
RJ06
CJ06
RJ10
CJ08
RJ12
CJ04
RJ08
QJ01-2
CJ17
CJ18
RJ14
RJ20
RJ22
CJ14
CJ10
RJ16
RJ18
CJ12
CJ19
CJ20
RJ24
CJ16
RJ26
QK01
QK02-1
QK02-2
QK05
QK06
QK07
CK01
CK02
CK03
CK04
CK05
CK06
CK07
CK08
CK09
CK10
CK11
CK12
CK13
CK14
CK15
CK16
CK17
CK18
CK19
CK20
CK21
CK22
CK33
CK34
RK01
RK02
RK03
RK04
RK05
RK06
RK07
RK08
RK09
RK10
RK11
RK12
RK13
RK14
RK15
RK16
RK17
RK18
RK19
RK20
RK21
RK22
RK23
RK24
RK25RK26
QD01
QH62-2
QH62-1
QH61-1
QH61-2
CD51
CD52
CD53
CD54
CD55
CD56
CD57
CD58
CD59
LD51
LD52
RD51
CD02
CD03
CD04
CD05
CD01
RD01
RD02
LD01
LD02
CH93
QJ02-2
DK01
DK02
DK05
RH48
RH50
RH52
QK03-1
QK04-2
QK04-1
QK03-2
TC7W32FU
220/10V
100/25V
100/25V
10k
0.1U
16V
NJM2068M
180
4.7K
4.7K
470P
0.1U
16V
100/25V
100/25V
0.1U
16V
*
*
4.7K
4.7K
4.7K
4.7K
3300P
3300P
180
180
470P
DUMMY
470P
NJM2068M
NJM2068M
4.7K
4.7K
4.7K
470P
4.7K
470P
180
DUMMY
0.1U
16V
0.1U
16V
NJM2068M
180
2.2K
2.2K
22K
5.6K
2.2K
2.2K
DUMMY
4.7K
22P
50V
22P
50V
10/16V
10/16V
0.1U
16V
0.1U
16V
100
100
22/25V
22/25V
100K
100K
NJM2068M
4.7K
4.7K
4.7K
4.7K
4.7K
4.7K
4.7K
4.7K
180
180
180
180
2.2K
2.2K
2.2K
2.2K
4.7K
4.7K
22K
22K
5.6K
5.6K
100
100
100K
100K
3300P
3300P
470P
470P
470P
470P
DUMMY
DUMMY
DUMMY
22P
50V
22P
50V
10/16V
10/16V
22/25V
22/25V
0.1U
16V
0.1U
16V
0.1U
16V
0.1U
16V
4.7K
4.7K
3300P
180
180
4.7K
DUMMY
470P
NJM2068M
470P
4.7K
22K
5.6K
2.2K
DUMMY
2.2K
10/16V
NJM2068M
22P
50V
4.7K
100
22/25V
100K
4.7K
3300P
4.7K
4.7K
470P
180
DUMMY
180
470P
4.7K
NJM2068M
0.1U
16V
0.1U
16V
2.2K
22K
5.6K
10/16V
2.2K
4.7K
22P
50V
0.1U
16V
0.1U
16V
100
22/25V
100K
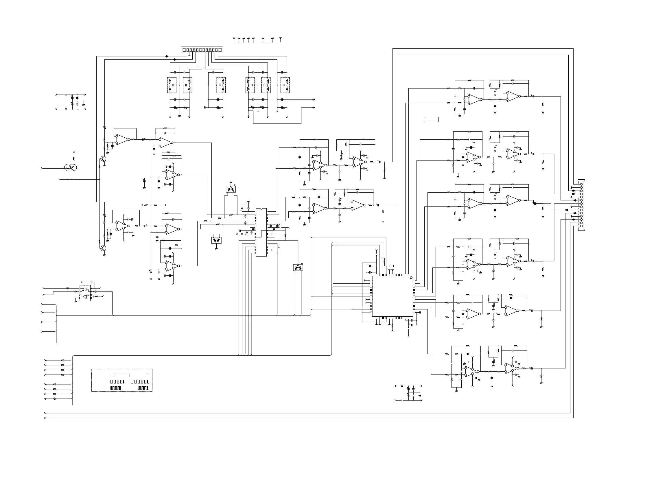
AK4528
NJM2068M
NJM2068M
2SC4213
2SC4213
47/16V
47/16V
22P
50V
22P
50V
10/16V
10/16V
470P
50V
470P
50V
470P
50V
470P
50V
0.1U
16V
0.1U
16V
0.1U
16V
0.1U
16V
0.01U
50V
0.01U
50V
0.01U
50V
0.01U
50V
10/16V
10/16V
1500P
1500P
0.1U
16V
0.1U
16V
10K
10K
8.2K
8.2K
3K
3K
2.2K
2.2K
56
4.7K
4.7K
4.7K
4.7K
4.7K
4.7K
4.7K
4.7K
39
39
39
39
470K
10K
10K10K
AK4356
NJM2068M
NJM2068M
NJM2068M
NJM2068M
0.1U
16V
10/16V
10/16V
0.1U
16V
100
6.3V
1000P
50V
0.1U
16V
0.1U
16V
100
6.3V
10K
0.1U
16V
100
6.3V
100
6.3V
0.1U
16V
1000P
50V
10K
0
0.1U 16V
NJM2068M
12K
2.2K
DUMMY
NJM2115M
NJM2115M
NJM2115M
NJM2115M
3.3V
DSPMUTE
SMUTE
ERMUTE
FS96
ADDATA
CWDA
_RSTDA2
_RSTDA1
5VD
0V-8
+5VA
0V-13
+15VA
0V-9
-15VA
0V-10
-15VAB
0V-24
+15VAB
0V-23
-15VAB
0V-24
+15VA
0V-9
-15VA
0V-10
+5VD
0V-8
+5VD
0V-8
+5VAA
0V-15
-5VAA
0V-16
-5VAA
0V-16
+5VAA
0V-15
+5VAA
0V-15
-5VAA
0V-16
+5VAA
0V-15
-5VAA
0V-16
WCLK2
BCLK2
MCLK2
SLRDA
LRDA
SBDA
_KILLCON
_ATT
+5VAA
0V-15
+15VAB
-15VAB
+15VAB
-15VAB
0V-23
0V-24
0V-23
0V-24
+15VAB
-15VAB
+15VAB
-15VAB
0V-23
0V-24
0V-23
0V-24
+15VAB
-15VAB
+15VAB
-15VAB
0V-23
0V-24
0V-23
0V-24
+5VA
0V-13
+5VD
0V-8
+5VD
0V-8
+5VA
0V-13
_ADRST
1
1
5
3
1
SFMT
FS96
LRDA
CWDA
ADDATA
_RSTDA1
_RSTDA2
MCLK2
WCLK2
BCLK2
SLRDA
SBDA
BCLK2
MCLK2
WCLK2
LRDA
CWDA
SLRDA
MCLK2
WCLK2
BCLK2
ADDA
TA
SBDA
FS96
FS96
_RSTDA1
SFMT
_ADRST
_RSTDA2
_ADRST
6
1
2
3
4
5
6
7
8
9
10
ERMUTE
C
SW
GNDA
GNDA
GNDA
A1
A1
A1
A1
A1
A6
A6
A6
A6
A6
A6
A6
A6
A6
A6
A6
A6
A6
A6
7
4
5
4
8
1
8
2
3
4
6
5
7
1
8
4
3
2
7
6
5
A6
12345 7891011
GND
VCC
A
FL
FR
TOJC02(P104)
FROM DSP BLOCK
FROM SURR CPU
M03-VOLUME
TODSPBLOCK
AWCLK=48K
ABCLK=3.07M
AMCLK=12.288M
GNDA
SBL
SBR
SL
SR
11
12
13
14
A
A
A6
A6
_KILLCON
A1
A1
A1
A1
A1
A1
A1
A1
A2
A2
A2
1
2
3
8
7
4
5
6
8
4
-
+
1
2
3
A1
A1
A1
A1
A1
A1
A1
A1
A1
A2
A2
A2
1
2
3
8
7
4
5
6
8
4
-
+
1
2
3
A1
A1
A1
A1
A1
A1
A1
A1
A1
A1
A2
A2
A2
8
4
2
3
8
4
1
-
+
A1
A1
A6
1
2
3
7
6
5
A6
VCOM
AINR+
AINR-
AINL+
AINL-
VREF
AGND
VA
P/S
MCLK
LRCLK
BICK
SDTO
SDTI
CKS0
CKS1
DIF
DFS
PDN
DEM0
DEM1
VT
VD
DGND
AOUTL-
AOUTL+
AOUTR-
AOUTR+
A6
A6
LOUT1-
LOUT1+
DZFL2
DZFR1
DZFL1
CAD0
CAD1
PDN
BICK
MCLK
DVDD
DVSS
SDTI1
SDTI2
SDTI3
LRCK
SMUTE
CCLK
CDTI
CSN
DFS0
CKS0
CKS1
CKS2
DIF0
DIF1
DIF2
DZFE
DZFR3
DZFL3
DZFR2
VREFH
A
VDD
AVSS
ROUT3-
ROUT3+
LOUT3-
LOUT3+
ROUT2-
ROUT2+
LOUT2-
LOUT2+
ROUT1-
ROUT1+
7
6
5
7
6
5
7
6
5
1
2
3
7
6
5
CK35
CK36
CK37
CK38
LK01
LK02
100/25V
100/25V
0.1U
16V
0.1U
16V
*
+5VA
0V-13
-5VD
0V-2
+5VAA
0V-15
-5VAA
0V-16
CD85CD86
0.01U0.01U
GNDA
GNDA
+5VD
+5VA
TOJY67(PY64)
M06-CONNECT
+15VD
LOUT(L T)
ROUT(R T)
+3.3V
-15VD
-5VD
GNDD
CD84
0.01U
LD84
0.022
LD85
0.022
LD86
0.022
CD90
0.01U
CD91
CD92
0.01U
0.01U
A1A2A3A4A5
CD81CD82
CD83
0.01U0.01U
0.01U
LD83
0.022
LD82
0.022
LD81
0.022
CD88
CD89
0.01U
0.01U
CD87
0.01U
CD93
CD94
CD95
220/10V
220/10V
220/10V
P604
(M08)
3.3V
-5VD
0V-2
5VD
0V-8
DD
RDD
DACBLOCK
RH03 RH1
RH07
CH03
4.7K 180
4.7K
QH01-1
RH01
RH09
RH05
RH13
CH01
CH05
CH07
CH09
RH15
NJM2068M
4.7K
180
4.7K
2.2K
3300P
470P
470P
DUMMY
DUMMY
2.2K
A1
A1
QH02-1
RH21
CH1
CH13
RH17
RH19
NJM2068M
5.6K
22P
50V
10/16V
4.7K
22K
RH08
RH12
CH02
RH04
CH04
CH08
CH12
CH14
CH16
CH17
CH19
RH14
RH18
RH20
RH22
4.7K
180
3300P
4.7K
470P
DUMMY
22P
50V
10/16V
22/25V
0.1U
16V
0.1U
16V
2.2K
4.7K
22K
5.6K
+15VAB
0V-23
+15VAB
0V-23
A2
A2
2
2
3
3
1
8
6
6
8
7
4
1
CH15
RH23
22/25V
100
RH25
100K
CH10
CH20
RH16
RH26
QH02-2
0.1U
16V
2.2K
100
100K
NJM2068M
-15VAB
0V-24
A2
+
A1
5

Related product manuals