EasyManua.ls Logo

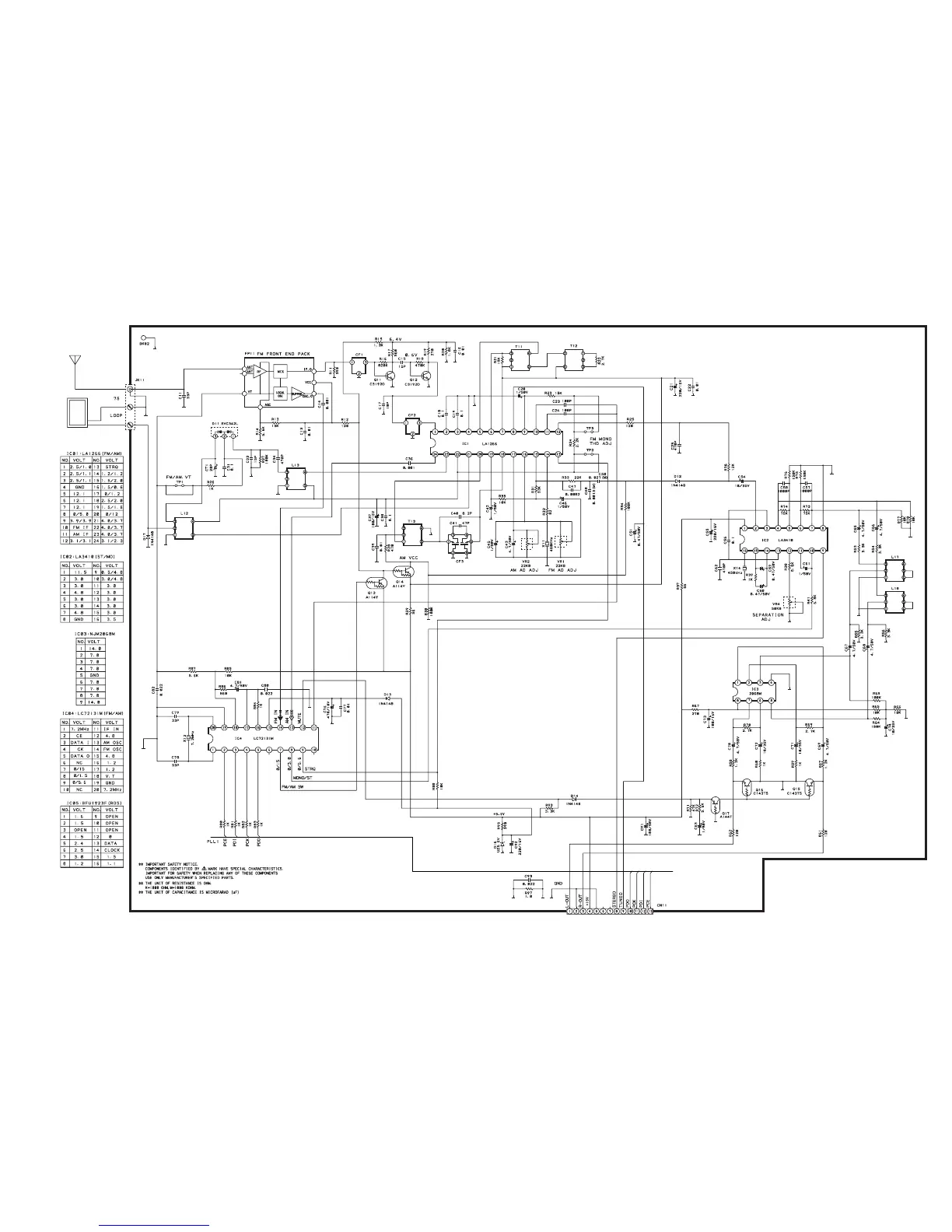
Marantz SR5000/N1B - Tuner (;K1,;U1) Schematic; FM Front End Pack Schematic

Marantz SR5000/N1B
39 pages
Print Icon
To Next Page IconTo Next Page
To Next Page IconTo Next Page
To Previous Page IconTo Previous Page
To Previous Page IconTo Previous Page
Loading...
19
20
Tuner (/K1, /U1)

Related product manuals