EasyManua.ls Logo

Marantz SR5002 - Page 60

Marantz SR5002
122 pages
Print Icon
To Next Page IconTo Next Page
To Next Page IconTo Next Page
To Previous Page IconTo Previous Page
To Previous Page IconTo Previous Page
Loading...
82
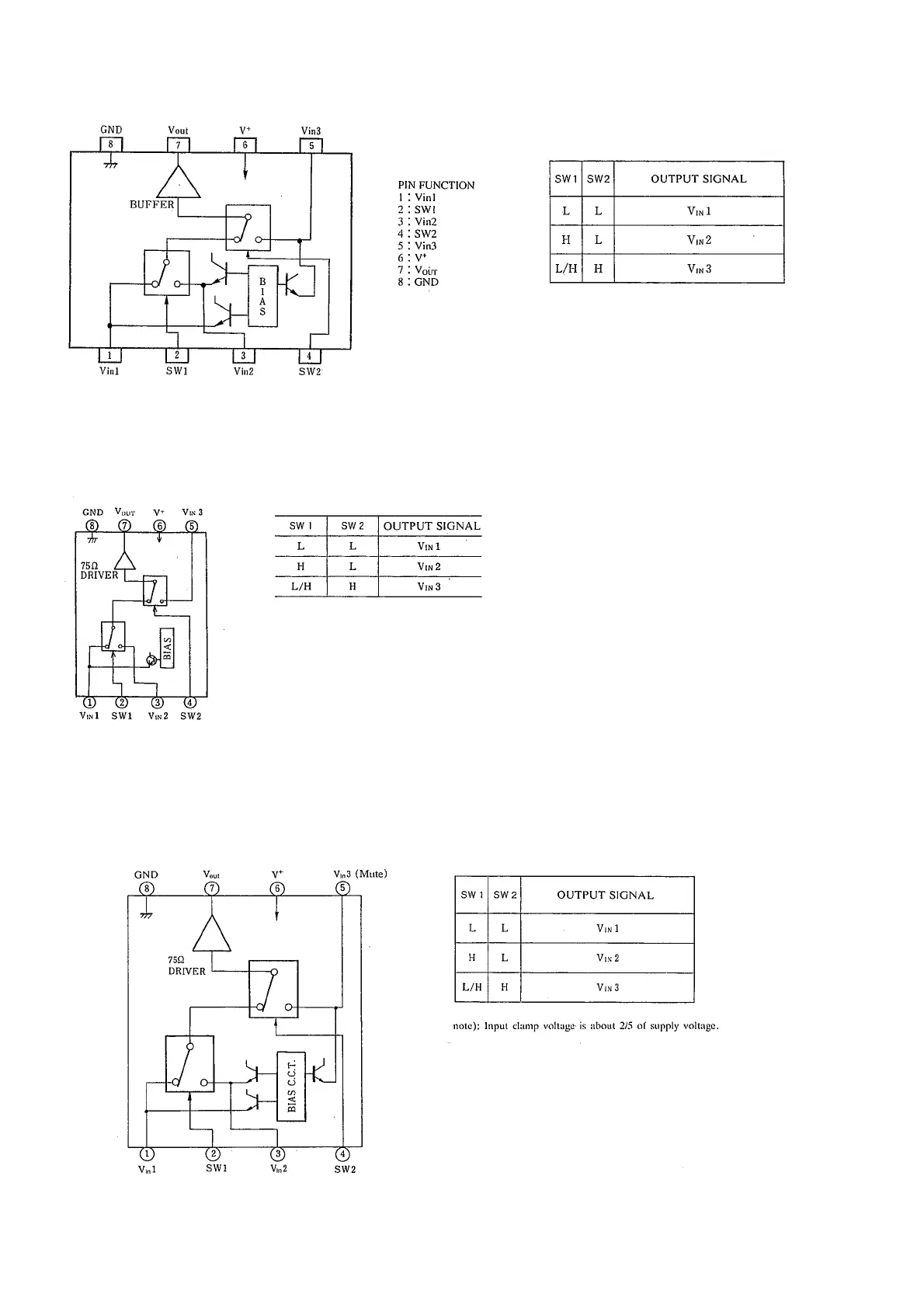
IC44 : NJM2535MTE1
IC45 : NJM2264MTE1
IC46 : NJM2244MTE1
IC48 : NJM2244MTE1

Other manuals for Marantz SR5002

Related product manuals