EasyManua.ls Logo

Marantz SR7500/A1B - Page 28

Marantz SR7500/A1B
192 pages
Print Icon
To Next Page IconTo Next Page
To Next Page IconTo Next Page
To Previous Page IconTo Previous Page
To Previous Page IconTo Previous Page
Loading...
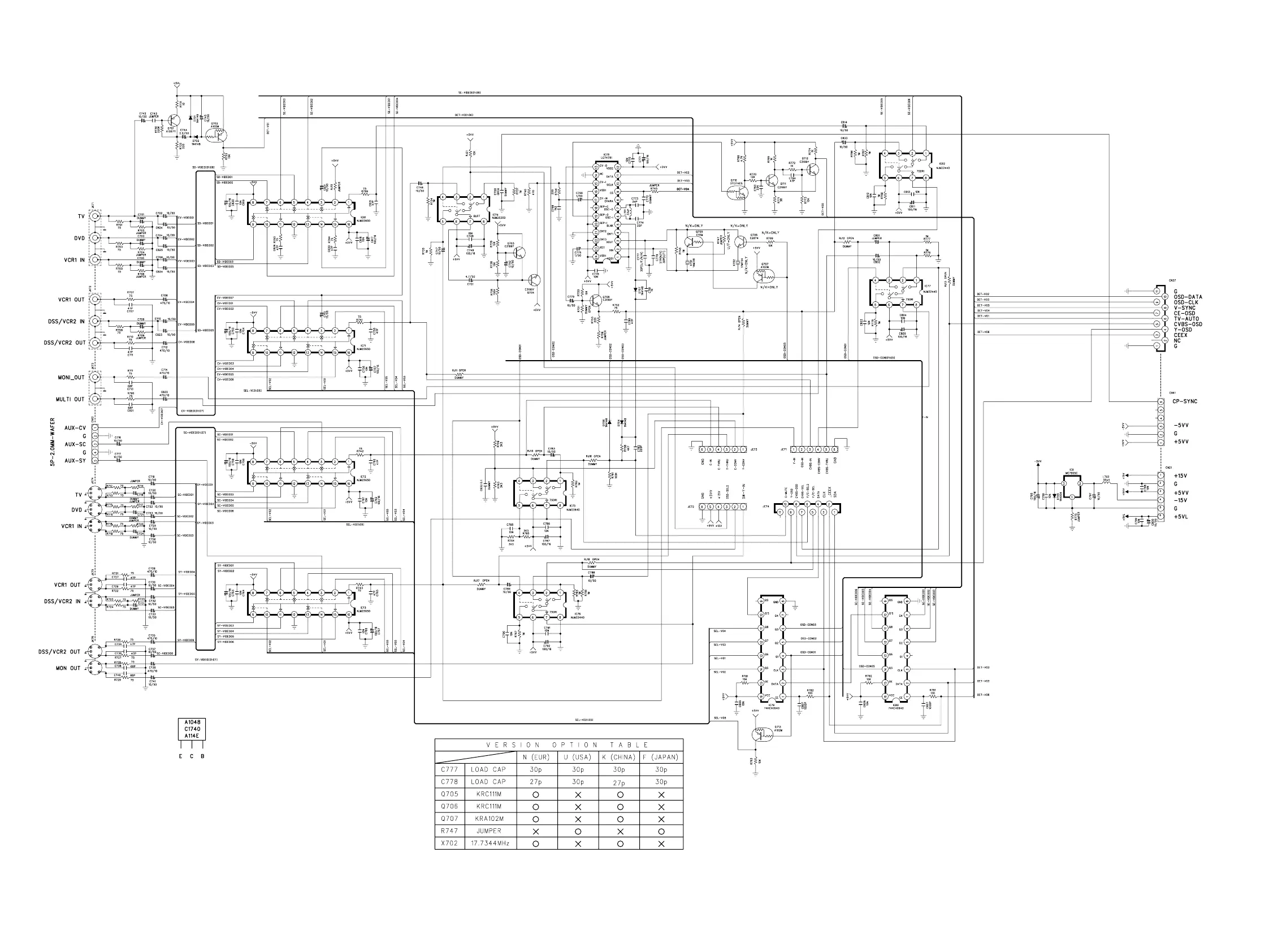
3433
VIDEO PCB
FROM AUX1 PCB
TO DSP PCB
TO
COMPONENT
PCB
TO
POWER PCB
TO CONVERTER
PCB
TO CONVERTER
PCB
TO CONVERTER PCB
SW-C-IN
TO CONVERTER PCB

Related product manuals