EasyManua.ls Logo

Marantz SR7500/A1B - Page 29

Marantz SR7500/A1B
192 pages
Print Icon
To Next Page IconTo Next Page
To Next Page IconTo Next Page
To Previous Page IconTo Previous Page
To Previous Page IconTo Previous Page
Loading...
35 36
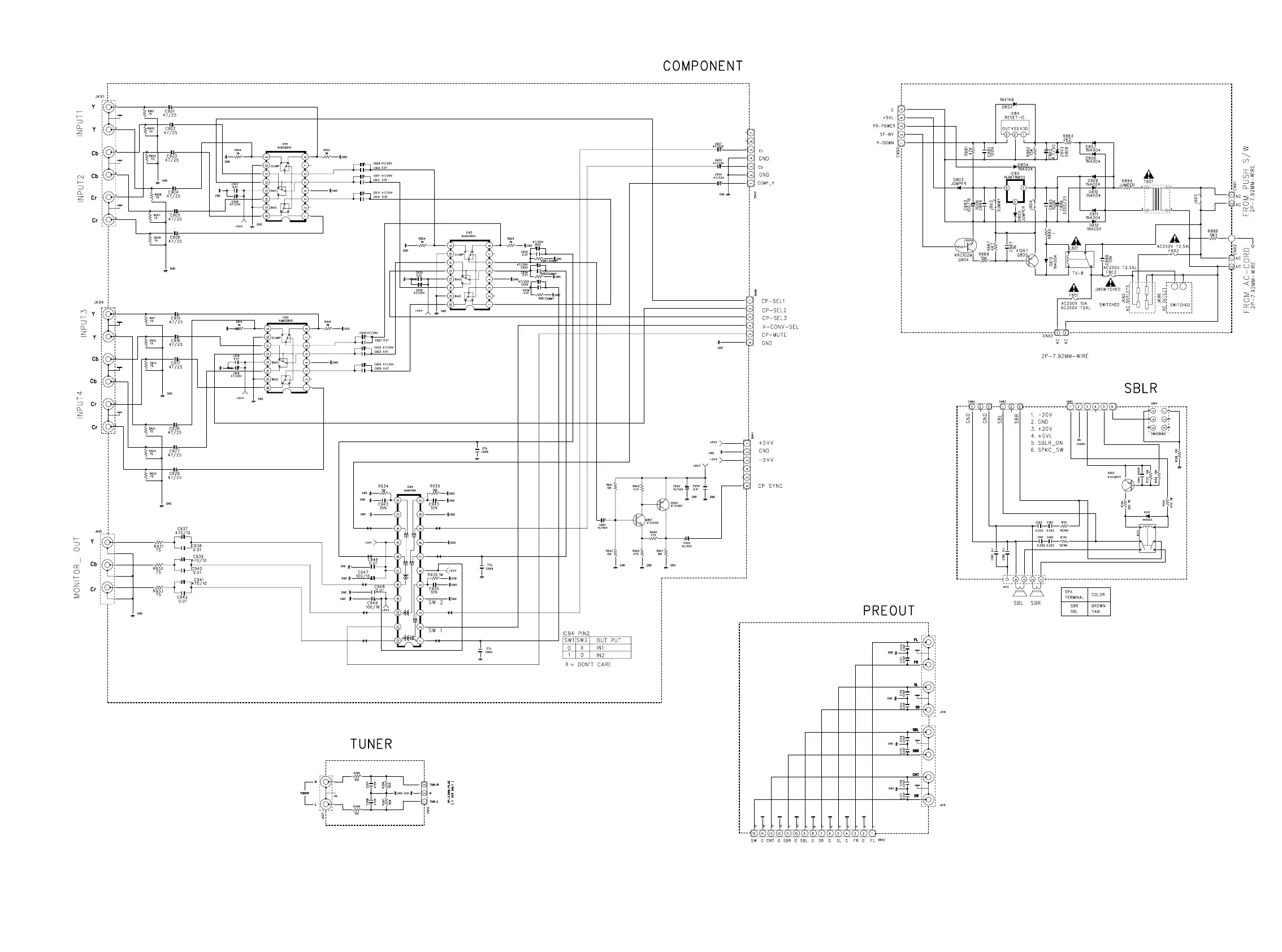
FROM CONVERTER PCB
CN71
FROM DSP PCB (2/2)
FROM VIDEO PCB
FROM VOLUME PCB
PS7500/PS8500 Only
TUNER PCB
FROM INPUT PCB
TO POWER PCB
STANDBY
FROM MAIN TRANS
TO POWER PCBTO AMP PCB
SBLR PCB
STANDBY PCB
PRE OUT PCB
COMPONENT PCB

Related product manuals