EasyManua.ls Logo

Marantz ST-40 - Page 7

Marantz ST-40
17 pages
Print Icon
To Next Page IconTo Next Page
To Next Page IconTo Next Page
To Previous Page IconTo Previous Page
To Previous Page IconTo Previous Page
Loading...
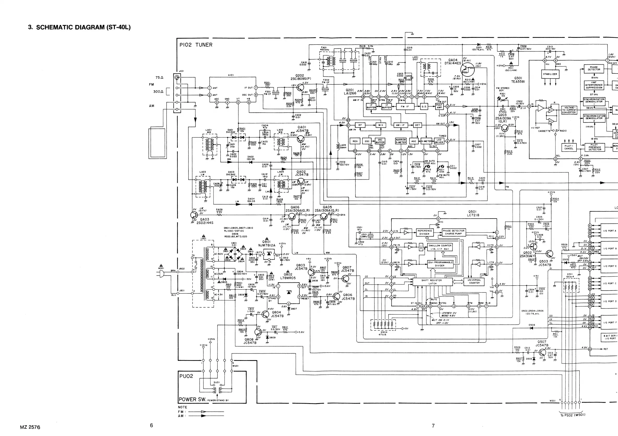
3.
SCHEMATIC
DIAGRAM
(ST-40L)
MZ
2576
Q202
2SCIB09S(P)
UW3V
RAIS
47k
D301
1SS!76,etc.
150
(1/4W)
10k
C302
10/50V
VOLTAGE
-
TO-CURRENT
e301
R302
2./V
PHASE
DETECTOR
44V
(2.0V)
VCO OFF
Q30)
I9
kHz
7
TEA558!|
VWF
:
INTERFERENCE
On
FM
STEREO
SUPPRESSION
S\
Q201
25V
SEP.
LAI266
R301
57
kHz
SYNCHRONIZATION
DEMODUL
ATOR
LL
£301
Mi
ae
22k
CONVERTER
SE
if
Fy;
(Q,R)
2
-
kH
ae
a
QAO!
114
kHz
L
L
“MW
"MW
ww
JC5478
aI
a
1
/3.8V)
(3.8V)
oer
i
Big
|
19
kit
0
|
cS
cS
Oi
Koe-O
CO
i
Suis
!
=
PILOT-
PILOT
MON(
SNS
|
=
PRESENCE
1
Si
CANCEL
Deeeet
on
s
L
6-44
O-
©
P.
CAN.
+)
C212
O.4V
R322
loO/IOV
(OV)
+]
c307
LAO3
S307
Riz
W
|
oc
O
iN
O
SS
|
caos
5311152
20p
i>
Ses
|
OC)
ui
I
o---
LH
-A4-4
CAI3
DA04S
0.01
RAOB
LW
1SS135
50k
ov
LW
RAO
LC
(0.7V)
BAGS
QQ
ov
2.2k
Q50!
@;
HD
LC7218
ov
QA03
a
(.9¥)
28021448
:
T
ee
|
1?)
BI)
D80I~D805,
D807~DBI0
f
Cosa
RLIO3SE
/
DSFIOC
9"
Srazi
(gv)
1.9V
Ge
1/0
PORT
A
D806
:
Ov
=
RD22UB2,MTZuU22D
:
A
C80!
Q80l
+12Va
NUM78I2A
“A
‘.
D803
A
<SD
|
1/0
PORT
B
19.7V
<TUNED
|
cs80
+]
cal
2200
6
771
/50V
Tay
35V
ov
lc
A
Ripge
Q803
JC547B
RBIO
ak
5.0V
40
1/0
PORTE
yc5478
KAY
|
asor
9807
2
470
[ov
Sar
A
CH"
R809
R813
Q802
cai
|+
47k
oY
220
L78MRO5
5O0V
100
2
oy
(2W)
psog
«16V
UNIVERSAL
COUNTER
W.3V
5.6V
170
PORT
C
a
Orr,
+
>+5.6V
az
1O0/10V
R805
Vv
3.9V
100k
STANDS
s
RESET
BY
G)
1/0
PORT
D
a
6V
CaO
4.6V
D807
I/50V
oy
©)
Q804
Boos
0004-2508
ae
be/
JC547B
MONO:
4.8V
ios
ov
gain
R804
OV
MUT
ON:0.1V
pet
TT
Tov
ae
vo
———
pe
ey
rn’
Bll
=
RBI2
R803
Dov
33/50V
are
aa
@5)
“TOk
ee
N
<]+5.6V
ee
7
Beit
8
BIT
SERI/
Ov
D809
10k
+12Vb
Q808
1/0
PORT
an
JC547B
+12Va
y,
R506
C512
4.9V
4.91
60)
RST
©
POWER
SW.
ae
BY
NOTE
FM:
————_-—_____
AM:
——?t>—_____
PED
SEE
OE
CEE
Ee
OE
re
()
1Ok
0.01
Ov
1
R507
p502
10k
Noa
2S
To
PSO2
(WSO1)
Dad

Related product manuals