EasyManua.ls Logo

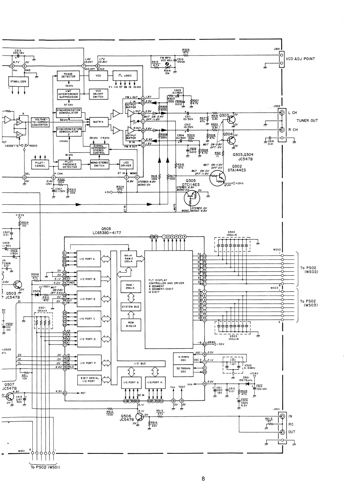
Marantz ST-40 - Page 8

Marantz ST-40
17 pages
Print Icon
To Next Page IconTo Next Page
To Next Page IconTo Next Page
To Previous Page IconTo Previous Page
To Previous Page IconTo Previous Page
Loading...
C313
R323
J30!
220/16V
47k
ra
MP
-
1.4V
L?V
PME.
Lesi0
|
eae
(2.0v)
\(0.9V)
rzig
YOO
ADS:
a=
1o00p
VCO
ADJ
POINT
:
G)
O)
~)
a7x
@O
as
Vec
GNO
R314
PHASE
10k
DETECTOR
STABILIZER
VWF
VCO
INTERFERENCE
ON/OFF
SUPPRESSION
SWITCH
,
(4)
-
=
R303
er
IV
100k
C305
———
57
kHz
OUTPUT
(3)
ooi2
|
4.7k
BUFFER
_
§302
SYNCHRONIZATION
eur
.
DEMODUL
ATOR
ee
:
:
R
,
os
©)}
L
CH
ie
Es
TITS
MUT
ON:0.4V
c3il
asizs
mi
OFF:
11,8V
10/50V
Role
:
D>
TO-CURRENT
MATRIX
0
2-(11)
4
tC)
TUNER
OUT
uae
CONVERTER
|
enema
|
are
c3i2
4
SYNCHRONIZATION
3.5V
DEMODULATOR
(16)
=
R
CH
2
C304
R304
O.1/50V
100k
38
kHz
114kHz
REF
SIGNAL
MUT
ON‘0.8V
DEPENDENT
OFF
:OV
STEREO
CONTROL
MONO/STEREO
SWITCH
R308
4.7k
R32)
tk
Q303,0304
JC5478
Q302
DTAI44ES
PILOT
PRESENCE
DETECTOR
MUT
ON:ILOV
47k
OFF:0V
MUT
ON-0
“OF
FAL9V
Ly
Q305
DTCIISES
STEREO:
4.9V
MONO:
0¥,
ov
A
STEREO:
OV
MONO:
4.8V
OV
0.4V
(ov)
100k
R3
+|
C307
R312
ww
Rare
4
0.1/50V
22k
+5VP
4.9V
|STEREO:
4.8V
(3)-—(4)
24
7k
ols
=)
Fe
tO
o
~
[\
+
S
<
Qa
ST
IN
Q505
LC6538D-4177
6502
100px8
[—
Fn
Fam
at tg
ee
eh
ee
a
|
PRReRRaR
ee:
|
|
reas
(a
Ns
eee
a
wso2
|
©)
ies
=
a
OO
2
a
a
2
2:
eee
El
ee
ie
eee
2,
nes
Ol
:
08)
,
O
eee
i):
ns
GonTROLLER
ano
onveR
©
|_Sigy
|
:
8
SEGMENT
8
4
SEGMENT/
DIGIT
ae
wso3
aa
RET
EE
2
JC5478
ee
:
o
0
cere
eee
(55
-
To
PSO2
eae
i
:
(WSO3)
By
ae
EaA
FF)
O
ees
:
ST
|
508
Tae
eseae
7
a
‘SE
100
j
|
10V
|
es
ee
es
|
|
6503
100px8
62)
222%
s0v
~D506
etc.
OSC
|
2.3V
ee
4.19
MHz
ao
roa
rea
Pt
or
$
ai
eer
X502
tH
32.768
kHz
ae
|
4.19
MHz
RSI
pen
2)
L—-9O--J
=
+s.6v
10k
ps01—*Y
Q507
1/0
PORT
G
170
PORT
H
(y22"
ISPy-
(Sie
fe.
JC547B
eesit
_|esio
+]
C514
4.5V.
Hz220
5:0;
grsos
|
OO/1OY
2
c5i3
{+
16V
i
“470.
“s
Soy
Tt
0509
ov|
5
T
3300
6.3V
“J5O1
R515
i?
IN
47
|
RC
4)
|
OUT
wsor
&
a
ey,
To
PSO2
(WSO!)

Related product manuals