EasyManua.ls Logo

Marantz TT333 - Page 5

Marantz TT333
21 pages
Print Icon
To Next Page IconTo Next Page
To Next Page IconTo Next Page
To Previous Page IconTo Previous Page
To Previous Page IconTo Previous Page
Loading...
Back
View
Top
View
L
1-(10),
Side
cover
(left)
1-(7),
C-shape
angle
(2)
1-(8),
Front
Al
frame
2).
(1)
(2)
(3)
(4)
(5)
(6)
(7)
3-(8)
Screws
(M)
3-(9)
Screws
(N).
_
Phono
cord
-
3-(3})
SR
bushing
Bottom
View
|
|
3-(7),
Screws
(L)
=
;
LS
1-(9)
Screws
(8)
pa
cover
9-(1)
re
(D)
=
i
GF
a:
shee
we
ah
o
+
er
Te
ae
=|
1-(10),
Screw
oe
7.
(10)
Side
cover
(right)
ee
AV
f
/
7
Was
7
;
eee
¢
eee.
3
ee
=
-
eee
=
pen
ae
~.
2-(6)
Screws
(F)
L/
fb
a.
.
Se
ey
ee
Fd
eg
a
Gl
Ln
(eatery
ER
ea
eee
ar
=
.
i
Re
2
ae
a
eS
7
?
MY
\
F
f
id
1-(7),
Screws
(A)
\
.
arr
\1-(6)
Turntable
1-(6)
Rubber
mat
Fig.
1
Disassembling
tonearm
mechanism
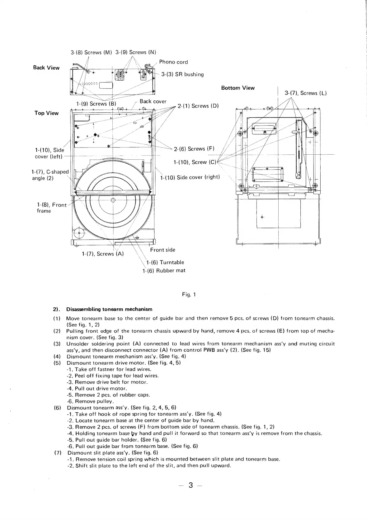
Move
tonearm
base
to
the
center
of
guide
bar
and
then
remove
5
pcs.
of
screws
(D)
from
tonearm
chassis.
(See
fig.
1,
2)
Pulling
front
edge
of
the
tonearm
chassis
upward
by
hand,
remove
4
pcs.
of
screws
(E)
from
top
of
mecha-
nism
cover.
(See
fig.
3)
Unsolder
soidering
point
(A)
connected
to
lead
wires
from
tonearm
mechanism
ass’y
and
muting
circuit
ass‘y,
and
then
disconnect
connector
(A)
from
control
PWB
ass‘y
(2).
(See
fig.
15)
Dismount
tonearm
mechanism
ass’y.
(See
fig.
4)
Dismount
tonearm
drive
motor.
(See
fig.
4,
5)
-1.
Take
off
fastner
for
lead
wires.
-2.
Peel
off
fixing
tape
for
lead
wires.
-3.
Remove
drive
belt
for
motor.
-4.
Pull
out
drive
motor.
~-5,
Remove
2
pcs.
of
rubber
caps.
-6.
Remove
pulley.
Dismount
tonearm
ass’y.
(See
fig.
2,
4,
5,
6)
-1.
Take
off
hook
of
rope
spring
for
tonearm
ass’y.
(See
fig.
4)
-2.
Locate
tonearm
base
at
the
center
of
guide
bar
by
hand.
-3.
Remove
2
pcs.
of
screws
(F}
from
bottom
side
of
tonearm
chassis.
(See
fig.
1,
2)
-4,.
Holding
tonearm
base
Py
hand
and
pull
it
forward
so
that
tonearm
ass‘y
is
remove
from
the
chassis.
-5.
Pull
out
guide
bar
holder.
(See
fig.
6)
-6.
Pull
out
guide
bar
from
tonearm
base.
(See
fig.
6)
Dismount
slit
plate
ass'y.
(See
fig.
6)
-1.
Remove
tension
coil
spring
which
is
mounted
between
slit
plate
and
tonearm
base.
-2.
Shift
slit
plate
to
the
left
end
of
the
slit,
and
then
pull
upward.
a,
Seen
eee
Terme
ed
eer