EasyManua.ls Logo

Marantz TT6200 - Page 7

Marantz TT6200
11 pages
Print Icon
To Next Page IconTo Next Page
To Next Page IconTo Next Page
To Previous Page IconTo Previous Page
To Previous Page IconTo Previous Page
Loading...
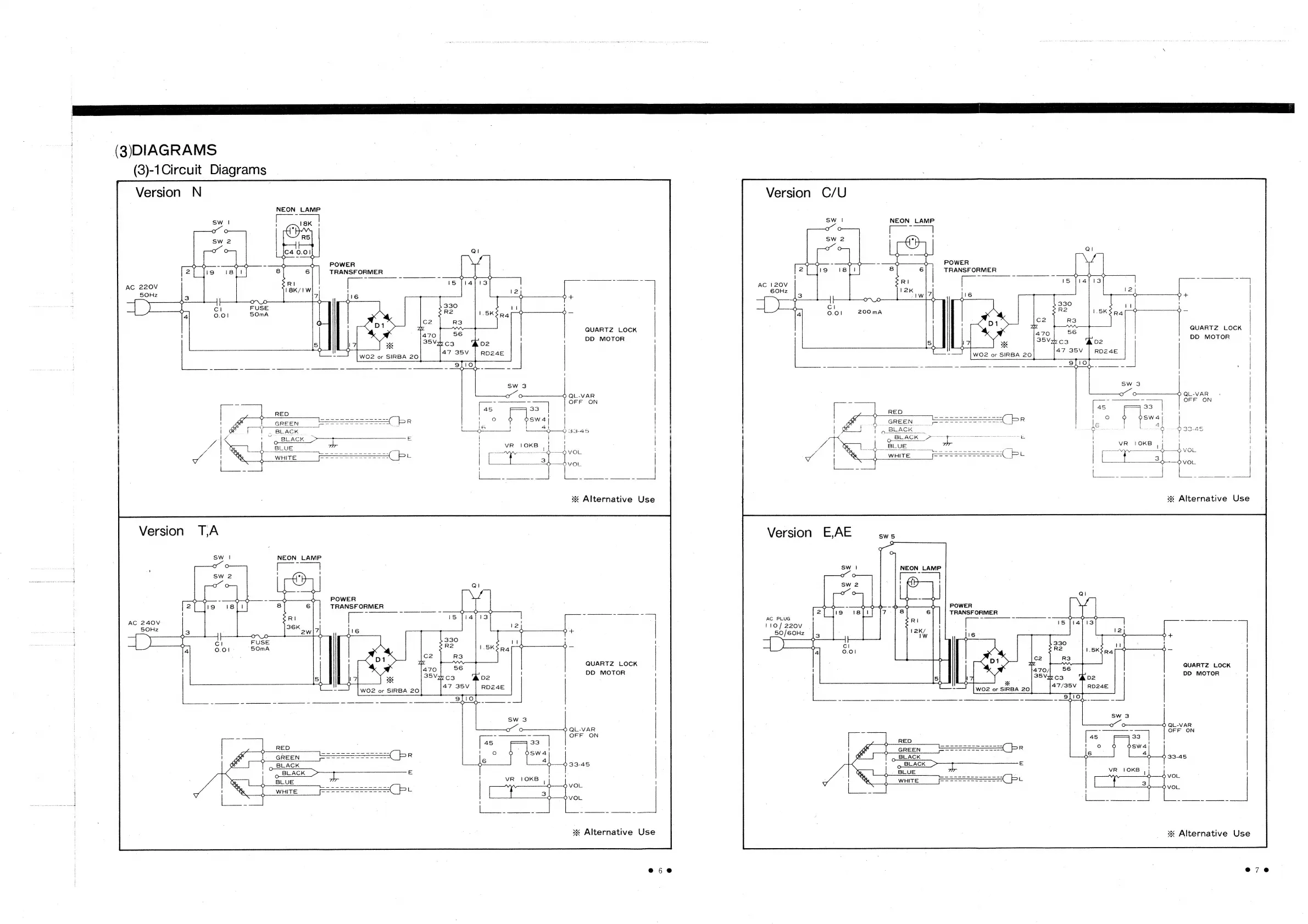
~-(3/DIAGRAMS
|
(3)-1Circuit
Diagrams
Version
N
AC
240V:
50Hz
IC4
0.01}
zy
R}
a
etal
POWER
TRANSFORMER
WO2
or
SIRBA
20
|
|
RED
Ag
GREEN
'
poe
pe
(BLACK
x
bt
NOK
NEON
LAMP
POWER
TRANSFORMER
WO2
or
SIRBA
20
QUARTZ
LOCK
DD
MOTOR
x
Alternative
Use
QUARTZ
LOCK
DD
MOTOR
a
ssw
4}
x
Alternative
Use
@®6e
Version
NEON
LAMP
POWER
TRANSFORMER
AC
120V
QUARTZ
LOCK
DD
MOTOR
i
i
x
Alternative
Use
BLACK
5
BLACK
_
BL.
Ee
hr
WHITE.
PEEESEEEEEESEEEC
Be
Version
E,AE
AG
PLUG
re
SW
2
qb
oem
POWER
110
/
220V
@ O
=
1
|
ig
18
eel
TRANSFORMER
Ri
pe
aN
50/60Hz
;
!2K/
3
1W
()
>
ree
4
Ql
he
5
{14
QUARTZ
LOCK
[az0/
DD
MOTOR
35VzC3
D2
K
4
WO2
or
SIRBA
20
7/35V
|
RD24E
J
3333
Ssw
4}
x
Alternative
Use
@o7@