EasyManua.ls Logo

Marconi Instruments TF 2502 - Page 25

Marconi Instruments TF 2502
26 pages
Print Icon
To Next Page IconTo Next Page
To Next Page IconTo Next Page
To Previous Page IconTo Previous Page
To Previous Page IconTo Previous Page
Loading...
SKTA
TC1
+
TF'0!9~0
2502
(lb)
1
SKTC
r--I~c,~~-r~--~~·~L~u---~
"'
lOp
I '
MR1
YELIGRN
-r-
-=
I I ·
·~"""
~
DETECTOR
UNIT
TM
8?2l/
2
TERM1NATING LOAD
TMSS44
I
iW
0
U£ill
-"n.~c---=":.:L::..u
___
:_
_ _'_i
~~-----~ol--1---"0
I
~~-----~~---~~~---1--·------------
1 a
I
!
'
SAl!
Ml
M2
+
MONITOR
TM6722/
2
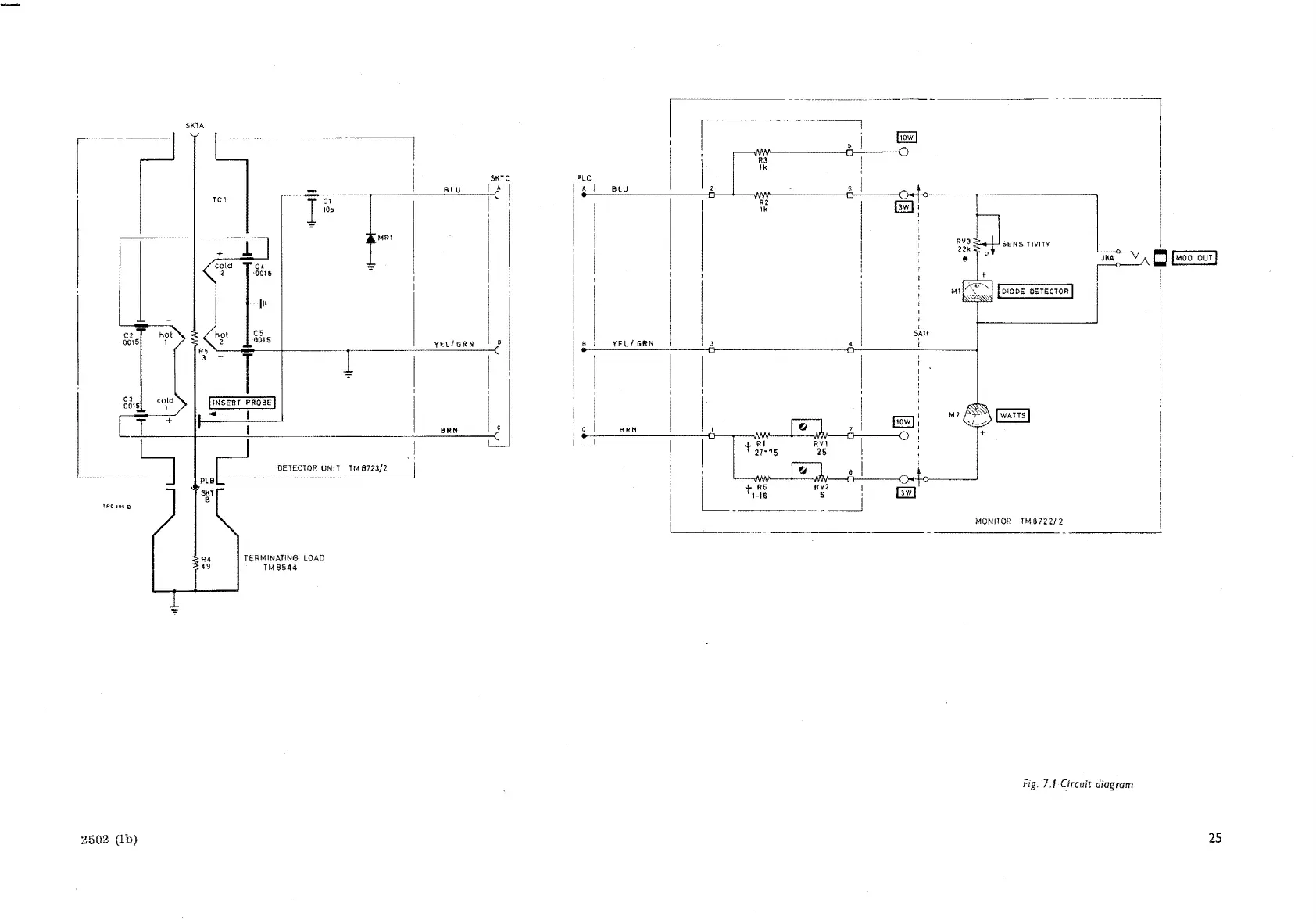
Fig.
7,1
Circuit diagram
25