EasyManua.ls Logo

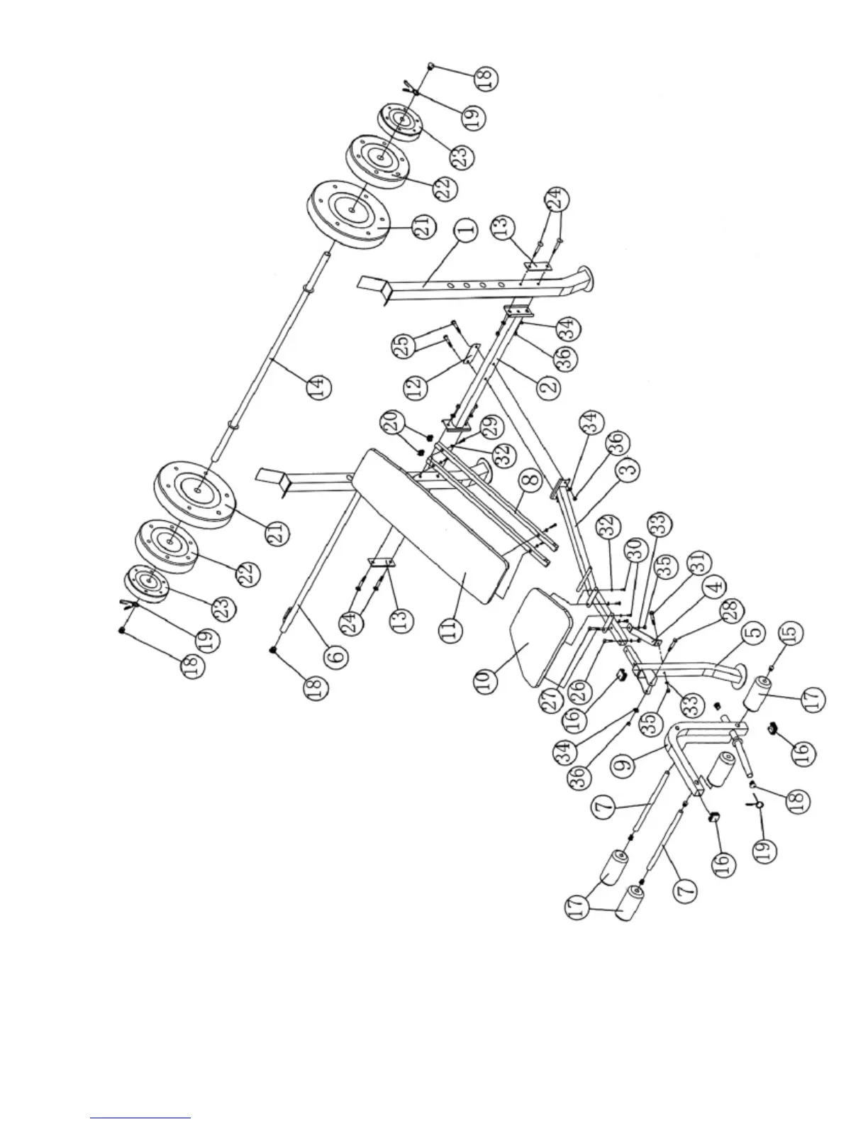
Marcy Pro - Final Assembly and Contact Information; Complete Exploded View

Marcy Pro
10 pages
Print Icon
To Next Page IconTo Next Page
To Next Page IconTo Next Page
To Previous Page IconTo Previous Page
To Previous Page IconTo Previous Page
Loading...
©IMPEX INC. www.marcypro.com
8

Related product manuals