EasyManua.ls Logo

Mariner 115 - Tiller Arm Components

Default Icon
391 pages
Print Icon
To Next Page IconTo Next Page
To Next Page IconTo Next Page
To Previous Page IconTo Previous Page
To Previous Page IconTo Previous Page
Loading...
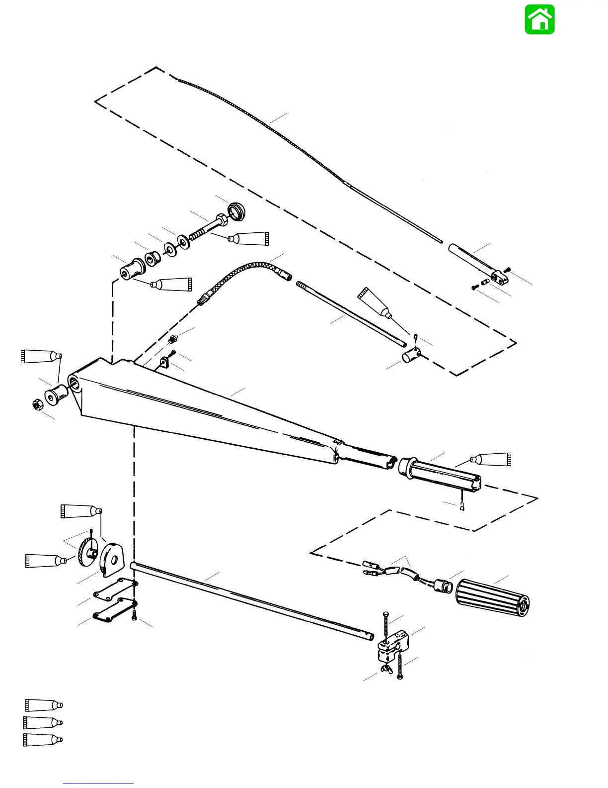
7B-2 90-13645--2 495OUTBOARD MOTOR INSTALLATION/ATTACHMENTS
Tiller Arm Components
1
32
3
4
5
6
7
8
9
10
11
12
13
14
15
16
17
18
19
20
21
22
23
24
26
27
28
29
30
Soapy Water Solution (Obtain Locally)
2
8
24
25
30
31
110
110
110
110
110
2-4-C W/Teflon (92-825407A12)
110
33
7
Loctite 271 (Obtain Locally)
7
Quicksilver Lubrication/Sealant
Application Points

Table of Contents