EasyManua.ls Logo

Mark ERV500 - Page 126

Mark ERV500
160 pages
Print Icon
To Next Page IconTo Next Page
To Next Page IconTo Next Page
To Previous Page IconTo Previous Page
To Previous Page IconTo Previous Page
Loading...
126
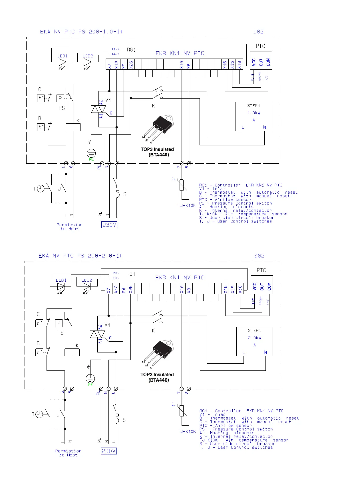
Elektrisch schema 5997460 - Elektrische kanaalverwarmer 1.0 kW voor ERV 500
Elektrisch schema 5997461 - Elektrische kanaalverwarmer 2.0 kW voor ERV 1000
1 2 3 4 5 6 7 8
1 2 3 4 5 6 7 8

Related product manuals