EasyManua.ls Logo

Mark ERV500 - Page 157

Mark ERV500
160 pages
Print Icon
To Next Page IconTo Next Page
To Next Page IconTo Next Page
To Previous Page IconTo Previous Page
To Previous Page IconTo Previous Page
Loading...
RO
157
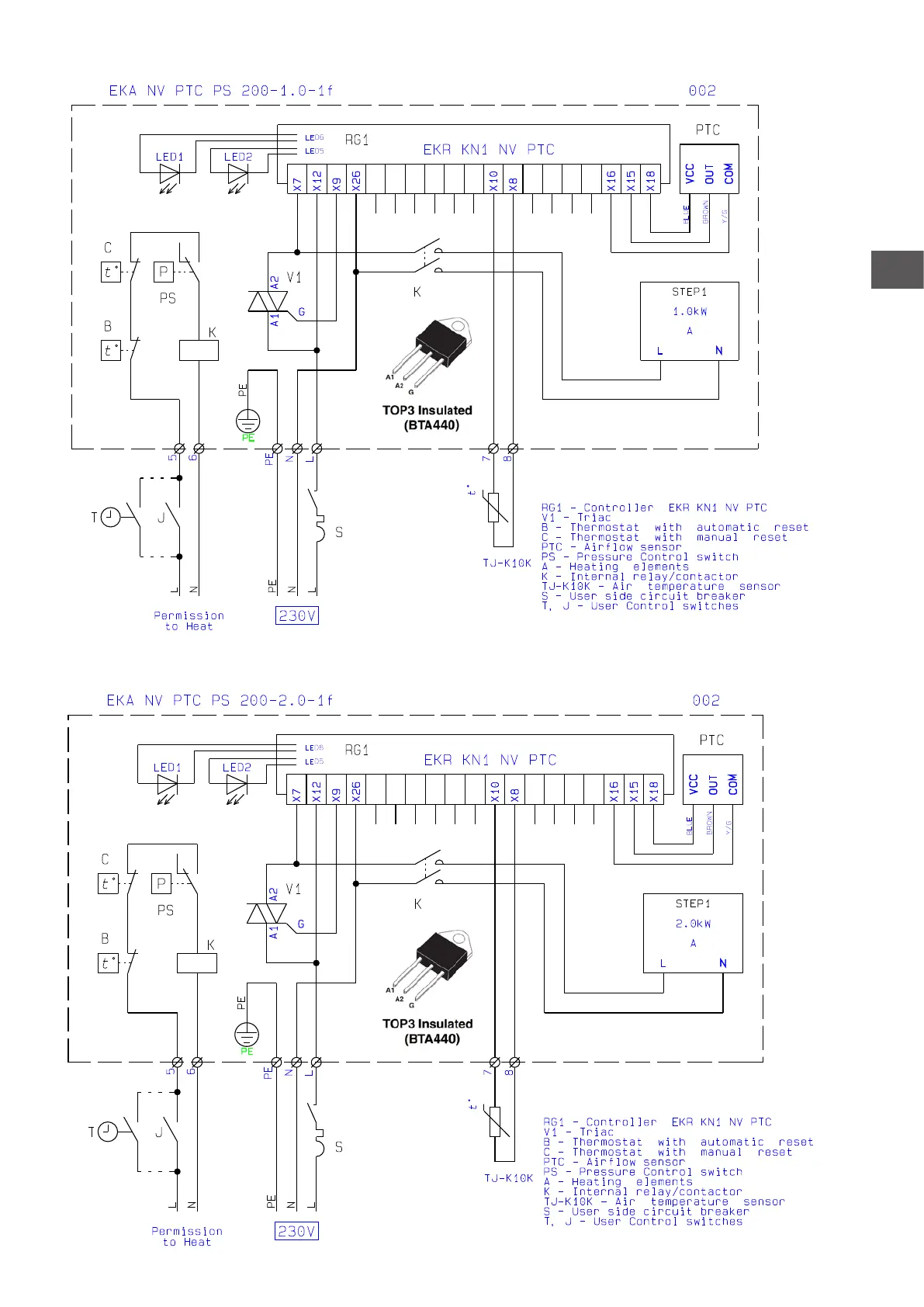
Scheme electrice 5997460 - Incalzitoare electrice de tubulatura 1.0 kW ERV 500
Scheme electrice 5997461 - Incalzitoare electrice de tubulatura 2.0 kW ERV 1000
1 2 3 4 5 6 7 8
1 2 3 4 5 6 7 8

Related product manuals