EasyManua.ls Logo

Mark ERV500 - Page 63

Mark ERV500
160 pages
Print Icon
To Next Page IconTo Next Page
To Next Page IconTo Next Page
To Previous Page IconTo Previous Page
To Previous Page IconTo Previous Page
Loading...
DE
63
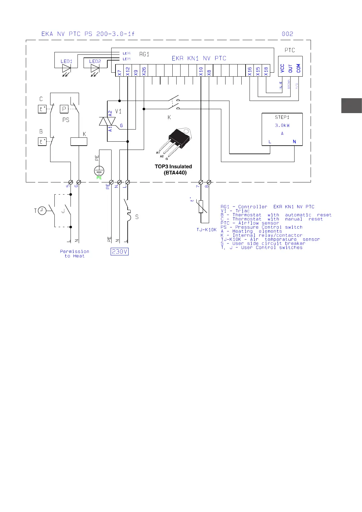
elektrisches Diagramm 5997462 - elektrisches Heizregister 3.0 kW für ERV 2000
1 2 3 4 5 6 7 8

Related product manuals