EasyManua.ls Logo

Mark ERV500 - Page 94

Mark ERV500
160 pages
Print Icon
To Next Page IconTo Next Page
To Next Page IconTo Next Page
To Previous Page IconTo Previous Page
To Previous Page IconTo Previous Page
Loading...
94
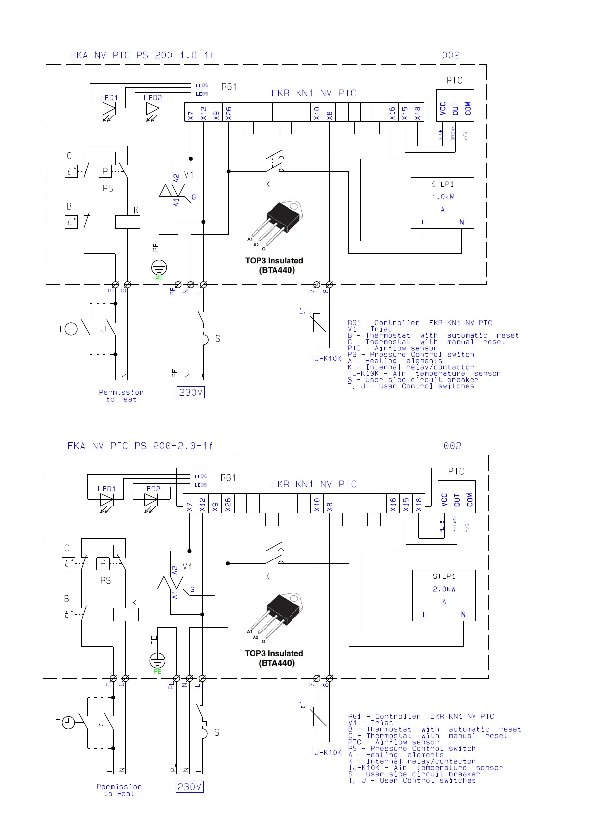
Schéma de câblage 5997460 - Réchauffeur de gaine électrique 1.0 kW pour ERV 500
Schéma de câblage 5997461 - Réchauffeur de gaine électrique 2.0 kW pour ERV 1000
1 2 3 4 5 6 7 8
1 2 3 4 5 6 7 8

Related product manuals