EasyManua.ls Logo

Marksman M7a - Panic Function; Trigger the System; Dome Light Convenience Delay & Supervision; Ignition Control Door Locks

Marksman M7a
28 pages
Print Icon
To Next Page IconTo Next Page
To Next Page IconTo Next Page
To Previous Page IconTo Previous Page
To Previous Page IconTo Previous Page
Loading...
Harness 3: White 5-Pin Mini Connector
Orange Wire : (-) 200mA Grounded Output when Armed
This wire will become grounded when the alarm is armed. The current capacity of this wire is 200mA. This
output can control a starter disable relay, when the system is triggered. The vehicle is prevented from any
unauthorized starting, and also active when remote started.
Yellow Wire : (-) 200mA Ignition 3 Output
this wire provides a 200mA (-) ground output that becomes active 4 seconds before the remote start unit
initialize, and remains grounded while the engine is running.
Ignition 3 Output:
Some newer vehicles use a third
ignition wire which is required to
start and keep the vehicle’s engine
running. If this is the case, wire a
relay (not supplied) as shown. Do
not connect any vehicle circuits
together, they are isolated for a
reason. This wire can an also be
used for immobilizer bypass
module.
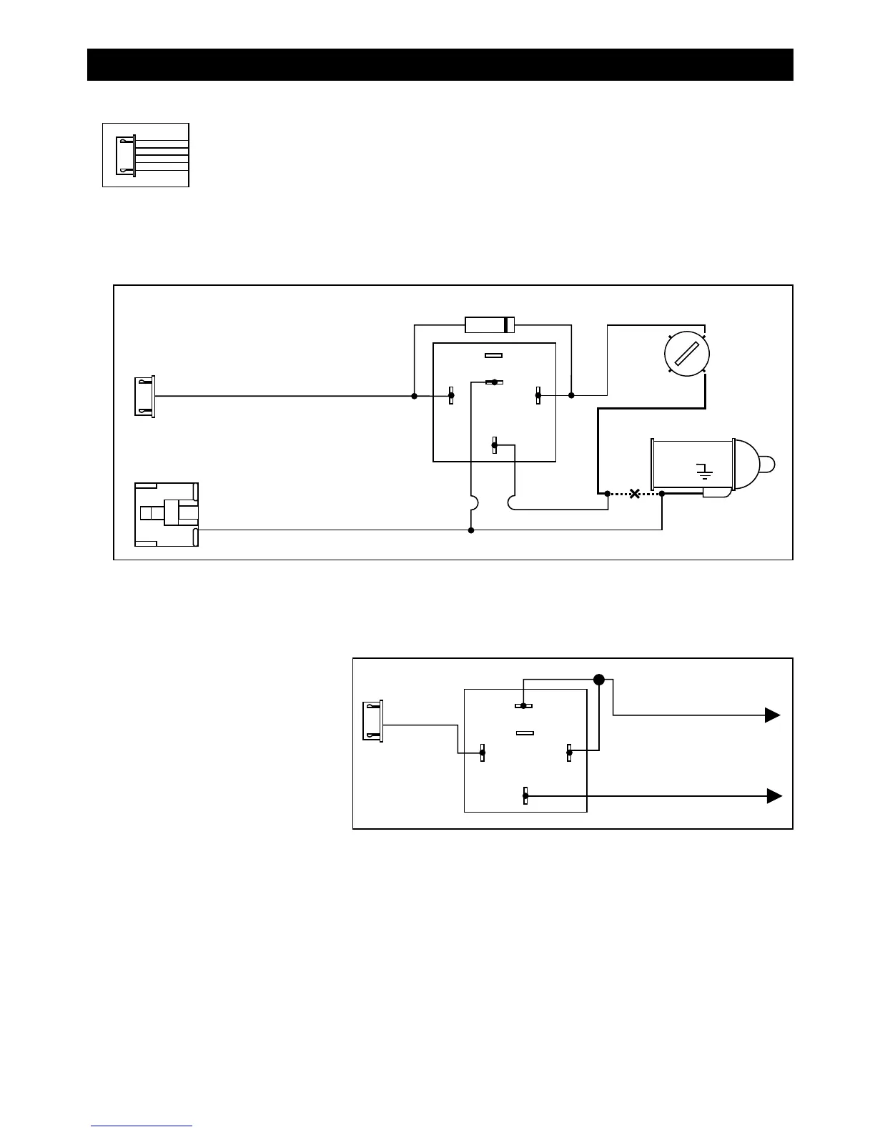
Transponder Interfacing Using ALA984 Relay:
If the vehicle has transponder system installed, you will need to bypass the system while the vehicle is
operating under the control of the Remote Start Unit. To do this, follow these steps:
1. You will need a transponder key that’s already programmed to the vehicle.
2. Remove the trim around the ignition switch.
3. Wrap a thin (30 awg) wire tightly around ignition switch 6 to 8 times and secure it.
4. About 6" down line make another loop of approximately 2" diameter.
5. Place the key inside this loop and secure it to the loop.
6. Connect on end of the 30 awg wire to pin (87) of the relay module.
7. Connect the other end of the loop wire to Pin (30) of relay module.
8. Connect (86) to ignition, connect (85) to the yellow wire of 5-pin mini white connector.
5
Wiring
87
87a
86
85
30
"START"
"OFF"
"IGN"
6-Pin Heavy Duty
White Connector
Starter
IN4003 Diode
Cut
Orange Wire
White 5-Pin
Mini Connector
"ACC"
Violet Wire
87
87a
86
85
30
Yellow
Wire
+12 V Constant
Fused 25A Capable
Ignition 3 Wire from
Ignition Key Switch
White
5-Pin Mini
Connector
M7A-IM 6/22/06 4:53 PM Page 5

Other manuals for Marksman M7a

Related product manuals