EasyManua.ls Logo

Marksman M7a - Remote Start Operation; How to Remote Start Your Vehicle; How to Operate the Vehicle While Running on the Remote Start Function; Temporary Stop Feature

Marksman M7a
28 pages
Print Icon
To Next Page IconTo Next Page
To Next Page IconTo Next Page
To Previous Page IconTo Previous Page
To Previous Page IconTo Previous Page
Loading...
6
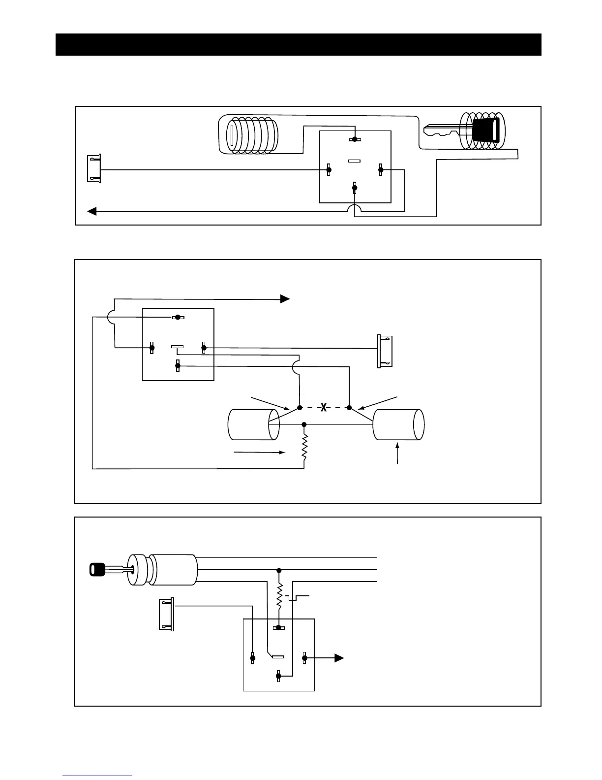
Wiring
Transponder Key
87
87A
85
86
30
Ignition Switch
+12 Volt Ignition
Yellow Wire
White 5-Pin Mini Connector
GM VATS Key Override Using ALA984:
Can also use RS-PLM bypass module.
Passkey/Vats: Anti-Theft Bypass
87
87A
85
86
30
To Ignition
White 5-Pin
Mini Connector
Passkey Wire Computer Side
Orange or Black Plastic Tube
at Steering Column
Resistor
Cut
Passkey Wire Key Side
Yellow Wire
Transponder Interfacing Using ALA984 Relay: (continued) Can also use optional RS-TIM bypass module.
Harness 3: White 5-Pin Mini Connector
(continued)
Resistor
Yellow
Trucks: Orange/Black or Cars: Black
Passkey II Passive Anti-Theft Bypass
87
87A
85
86
30
To Vehicle's Ignition Wire
Trucks: Red/White or Cars: White
White 5-Pin
Mini Connector
Yellow Wire
M7A-IM 6/22/06 4:53 PM Page 6

Other manuals for Marksman M7a

Related product manuals