EasyManua.ls Logo

Marksman M7a - Timer Start; To Activate the Start Timer; Exit the Timer Start; Shut Down Input for Remote Starter

Marksman M7a
28 pages
Print Icon
To Next Page IconTo Next Page
To Next Page IconTo Next Page
To Previous Page IconTo Previous Page
To Previous Page IconTo Previous Page
Loading...
Wiring
7
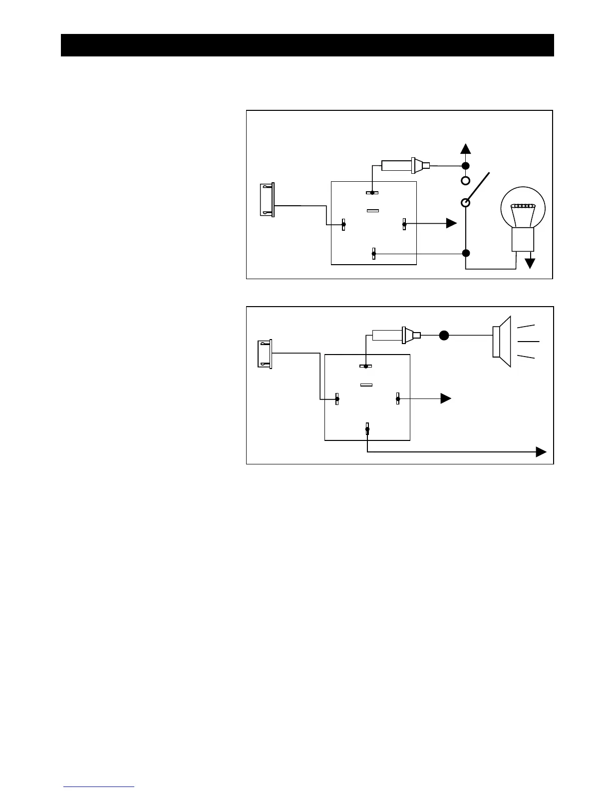
Harness 3: White 5-Pin Mini Connector (continued)
White Wire: (-) 200mA Programmable Output
Dome Light Control Output
(Factory Default Setting):
This wire becomes grounded
when the dome light controls
circuit of the alarm is active. The
current capacity of this wire is
200mA. This wire can control
the operation of the interior
lights. Use of optional relay as
shown is recommended.
A. Upon disarming, the interior
lights will remain on for 30
seconds.
B. If the vehicle is violated, the
interior light will flash for the
same duration as the siren.
Horn Output (See Alarm Feature
Stage 3 Programming):
This wire can be used to activate
the existing vehicle’s horn as the
alarm system’s optional warning
audible device. It’s a
transistorized low current
output, and should only be
connected to the low current
ground output from the vehicle’s
horn switch. When the system is triggered, the horn will sound (depending on the vehicle’s requirement an
additional relay may be required as shown).
Factory Security Rearm Signal Output (See Alarm Feature Stage 3 Programming):
This wire can be used to rearm a factory installed security system. This wire will supply a pulse whenever
the remote start times out or is shut down using the transmitter and remote door locking.
Pink Wire: (-) 200mA Programmable Output (See Alarm Feature Stage 3 Programming)
Unlock the Driver’s Door First Output (Factory Default Setting)
The 2 step unlock feature will work for the most fully electronic door lock circuit. The vehicle must have an
electronic door lock switch (not the lock knob or key switch), which locks and unlocks all of the vehicle’s
doors. When wired for this feature, pressing the disarm (or unlock) button one time will disarm the alarm
and unlock the driver’s door only. Press disarm (or unlock) button two times within 3 seconds, the alarm
will disarm and all doors will unlock.
Factory Security Disarm Signal Output
This wire can be used to disarm a factory installed security system. This wire sends a negative (-) 1 second
pulse upon a remote start or remote door unlocking signal. Some factory systems must be disarmed to
allow remote starting. In most cases, this wire may be connected directly to the factory alarm disarm wire.
The correct wire will show negative ground when the key is used to unlock the doors or trunk. This wire is
usually found in the kick panel area in the wiring harness coming into the car body from the door.
87
87a
86
85
30
White
Wire
White
5-Pin Mini
Connector
+12V
Courtesy
Light
Door
Switch
Fuse
+12 Volts or Ground Depending
on Vehicle Requirement
87
87a
86
85
30
White
Wire
To Horn
+12V or Ground Depending
on System Requirements
Fuse
White
5-Pin Mini
Connector
+12V
M7A-IM 6/22/06 4:53 PM Page 7

Other manuals for Marksman M7a

Related product manuals