EasyManua.ls Logo

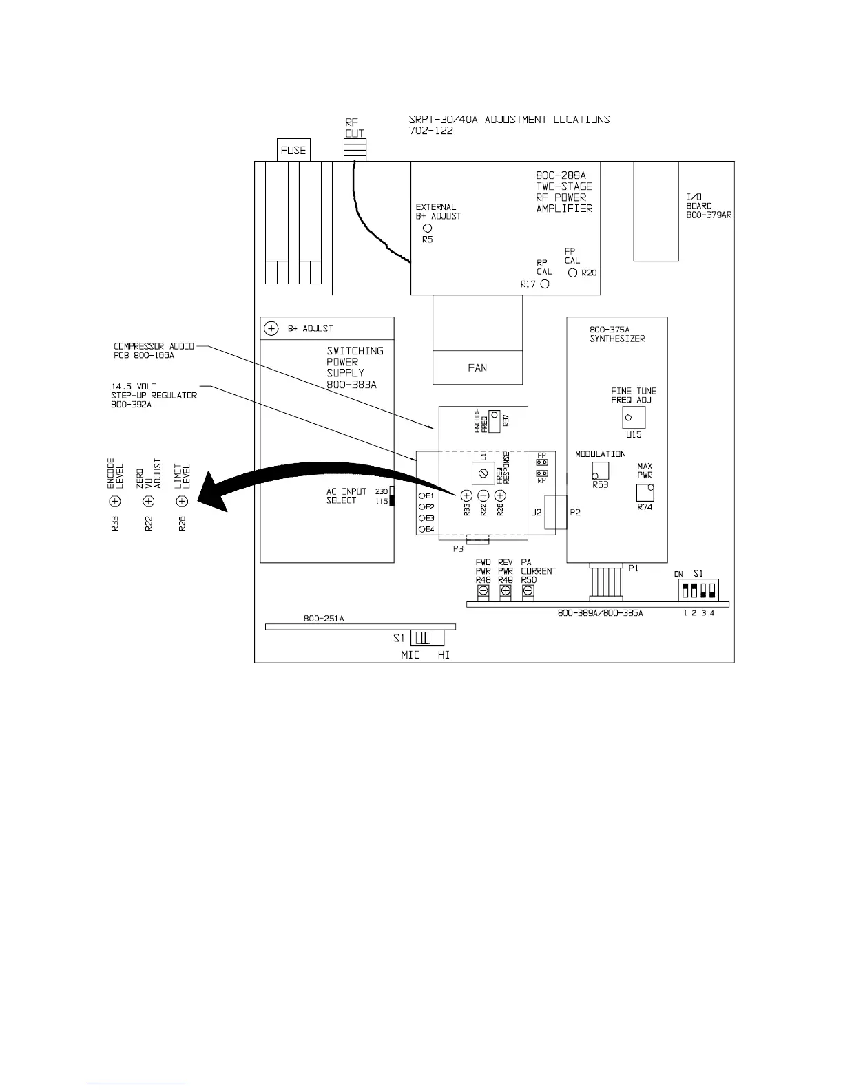
Marti Electronics SRPT-40A - Drawing 702-122 SRPT-30;40 A Adjustment Locations

Default Icon
129 pages
Print Icon
To Next Page IconTo Next Page
To Next Page IconTo Next Page
To Previous Page IconTo Previous Page
To Previous Page IconTo Previous Page
Loading...
8/7/2003
50

Related product manuals