EasyManua.ls Logo

Massive Audio D 1200 - Page 9

Default Icon
9 pages
Print Icon
To Previous Page IconTo Previous Page
To Previous Page IconTo Previous Page
Loading...
10
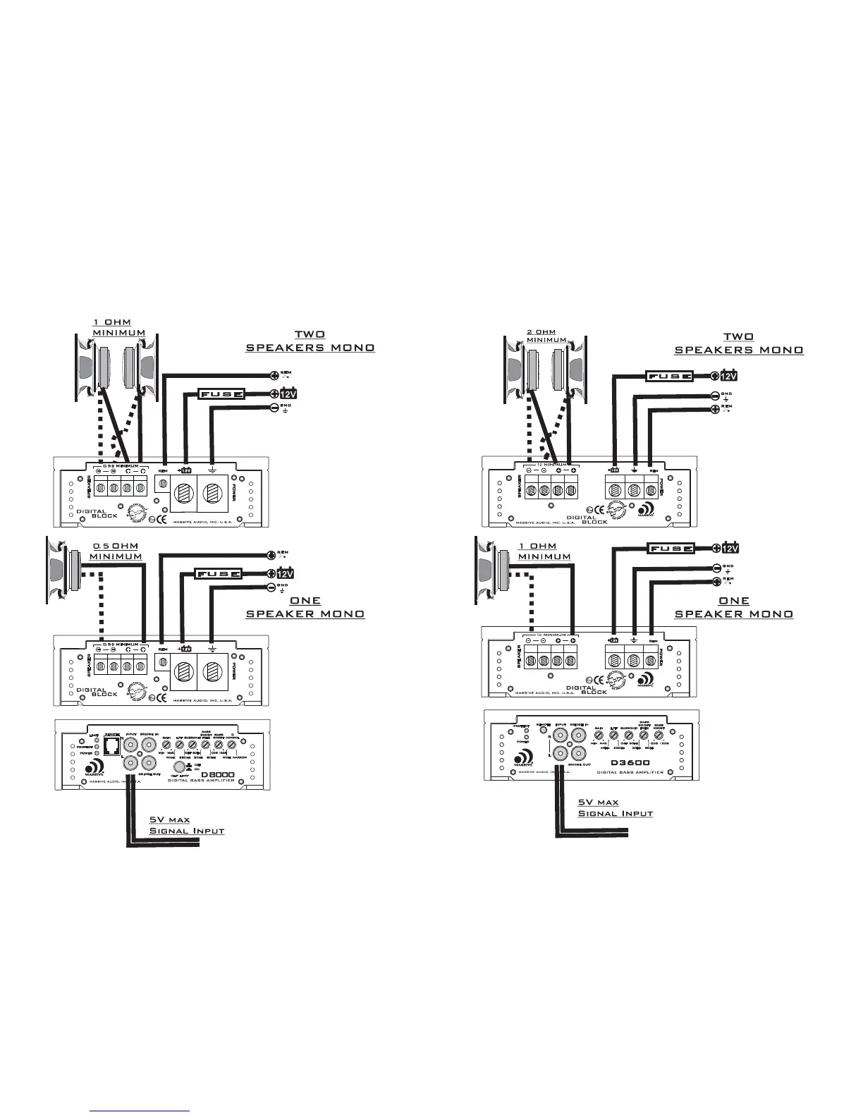
For : D 2400 / D 3600
For : D 8000
9

Related product manuals