EasyManua.ls Logo

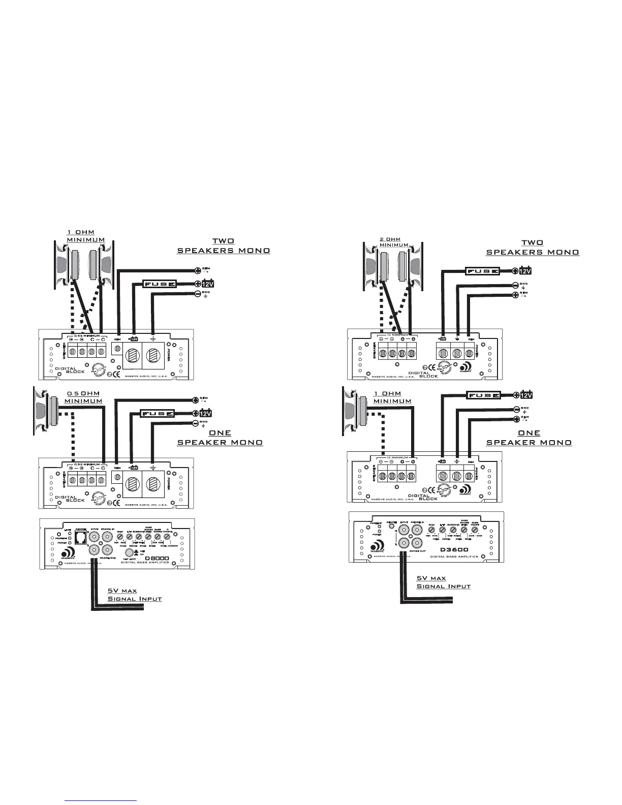
Massive Audio D 8000 - Wiring Configurations for D8000; D2400; D3600

Default Icon
9 pages
Print Icon
To Previous Page IconTo Previous Page
To Previous Page IconTo Previous Page
Loading...
10
For : D 2400 / D 3600
For : D 8000
9

Related product manuals