EasyManua.ls Logo

Master Bilt MAC-8 - MAC-7 and MAC-8 Wiring Diagram

Master Bilt MAC-8
17 pages
Print Icon
To Next Page IconTo Next Page
To Next Page IconTo Next Page
To Previous Page IconTo Previous Page
To Previous Page IconTo Previous Page
Loading...
11
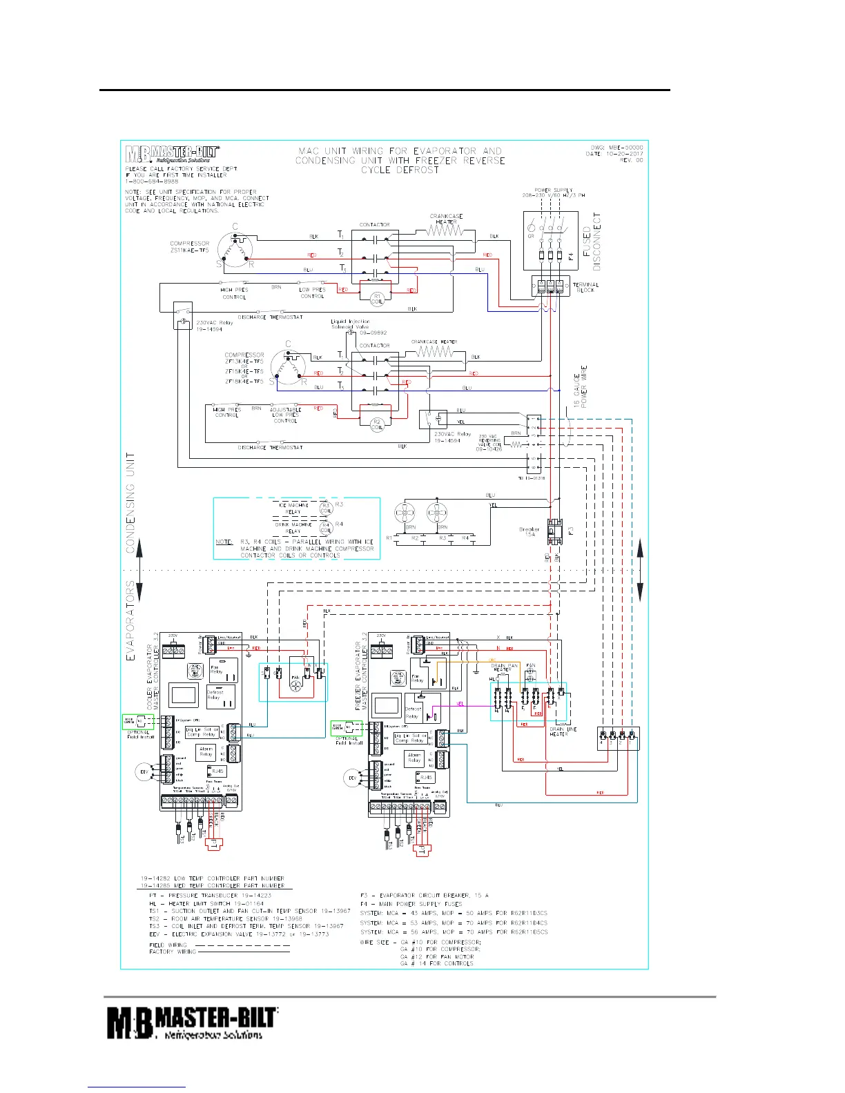
MAC-7 and MAC-8 Wiring Diagram with Reverse Cycle Defrost
Note: Evaporators and condensing unit powers are from same power sources. The actual wiring
diagram for each system is attached on the back of the electric box cover.
N.O.
N.O.

Related product manuals