EasyManua.ls Logo

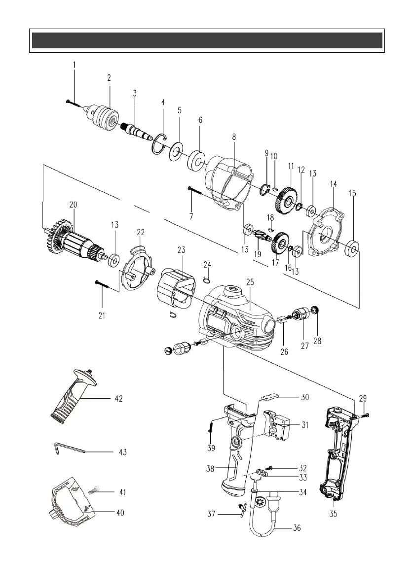
MasterForce 241-0725 - Exploded View

MasterForce 241-0725
22 pages
Print Icon
To Next Page IconTo Next Page
To Next Page IconTo Next Page
To Previous Page IconTo Previous Page
To Previous Page IconTo Previous Page
Loading...
18
EXPLODED VIEW

Related product manuals