EasyManua.ls Logo

Mastervolt Whisper 8

Mastervolt Whisper 8
32 pages
To Next Page IconTo Next Page
To Next Page IconTo Next Page
To Previous Page IconTo Previous Page
To Previous Page IconTo Previous Page
Loading...
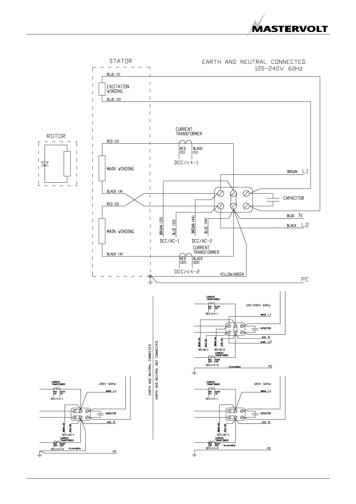
DIAGRAMS & DRAWINGS
28 Copyright © 2009 Mastervolt / July 2009 / WHISPER 6/8/11 / US
3.4 AC WIRING DIAGRAM 120 - 240V / 60HZ
Figure 26: Electrical diagram 120 - 240V

Other manuals for Mastervolt Whisper 8

Related product manuals