EasyManua.ls Logo

Matrox Radient eV-CXP - Page 29

Matrox Radient eV-CXP
70 pages
Print Icon
To Next Page IconTo Next Page
To Next Page IconTo Next Page
To Previous Page IconTo Previous Page
To Previous Page IconTo Previous Page
Loading...
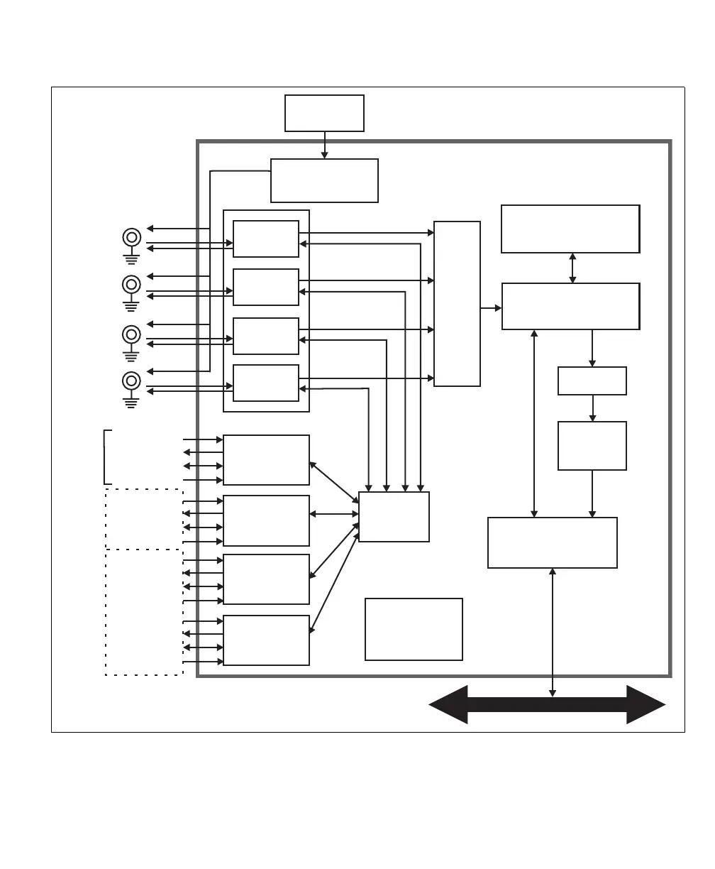
Matrox Radient eV-CXP hardware reference 29
Host x8 PCIe 2.x bus
Matrox
Radient eV-CXP
PCIe 2.0 x8
Host interface
4 GB/s
full duplex
MIL license
fingerprint
and
Supplemental MIL
license storage
Color space
converter
and image
formatter
Bayer
decoder
Power-over
CoaXPress
Auxiliary 12 V
power supply
12 V
GPIO
controller
Auxiliary I/O
interface
Auxiliary I/O
interface
Auxiliary I/O
interface
Opto Aux In (2)
LVDS Aux In (2)
LVDS Aux Out (1)
TTL Aux I/Os (3)
Optional cable
adapter brackets
LVDS Aux In (2)
LVDS Aux Out (1)
TTL Aux I/Os (3)
LVDS Aux In (2)
LVDS Aux Out (1)
TTL Aux I/Os (3)
LVDS Aux In (2)
LVDS Aux Out (1)
TTL Aux I/Os (3)
Opto Aux In (2)
Opto Aux In (2)
Opto Aux In (2)
Auxiliary I/O
interface
CoaXPress
interface
CoaXPress
interface
CoaXPress
interface
CoaXPress
interface
LUTs
CoaXPress
connectors
24 V
6.25 Gb/s
20.83 Mb/s
8.5 GB/s
Acquisition memory
(DDR3 SDRAM)
1/2/4 GB
Memory
interface
24 V
6.25 Gb/s
20.83 Mb/s
24 V
6.25 Gb/s
20.83 Mb/s
24 V
6.25 Gb/s
20.83 Mb/s
Via MiniDP-to-DBHD-15
adapter cable

Table of Contents

Related product manuals