EasyManua.ls Logo

MAXA 3500 W - Page 14

MAXA 3500 W
Print Icon
To Next Page IconTo Next Page
To Next Page IconTo Next Page
To Previous Page IconTo Previous Page
To Previous Page IconTo Previous Page
Loading...
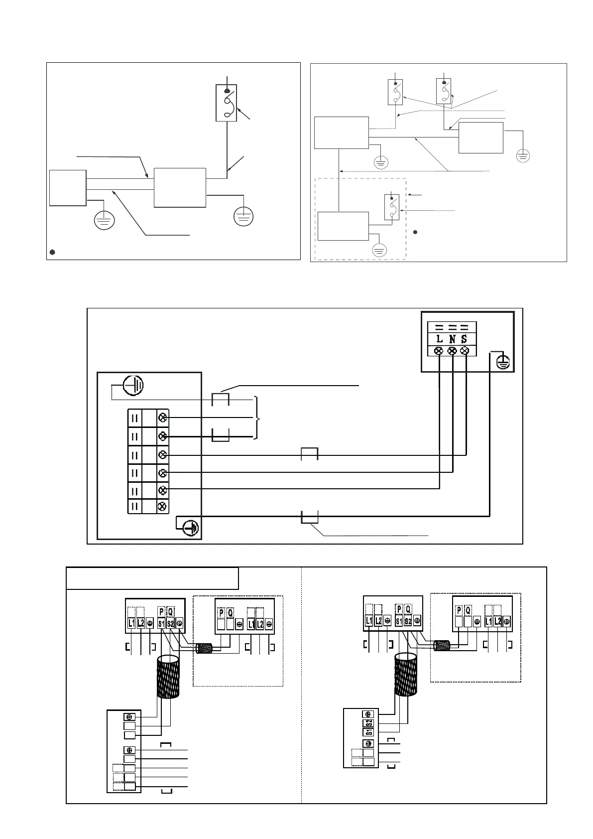
Schema unifilare
Mod. 3500 W
Mod. 5300 W 17600 W
Messa a terra
La messa a terra deve essere collegata bene per evitare le interferenze
C
a
v
o
segnale
Messa a terra
(Disponibile in zona)
Cavo collegamento alimentaczione unità interna
Cavo alimentazione
unità esterna
Unità esternaU
ni
interna
Interruttore circuito
Alimentazione elettrica
Me ssa a terra
Cavo segna le elettrico debo l e
La messa aterra deve essere collegata
bene per evitare le interferenze
M essa a terra
M essa a terra
Opzionale (twins)
In
(Dispon ibile in zona )
te rr u tto re c ir c u i to
Cavo alimentazione unità interna
Cavo alimentazione unità esterna
Unità Interna
Unità Interna
Unità esterna
A
li
m e
n
ta
z
io
ne
e
le
tt
r
ic
a
Alimentazione elettrica
Interruttore circuito
(Disponibile in zona)
Alimentazione elettrica
Schema di cablaggio dell’unità interna all’unità esterna:
Modello 3500 W
Cavo a 3 f
il
i 3 x
2.5 mm²
Usare un cavo a 4-fili 4x1.0mm²
Y/G
2(N)
S
L N
Alim
ent
azi
on e elettrica
22 0 - 240V 50Hz
1
(
L)
Unità Interna
Un
ità Esterna
Y/G
Modelli. 10500 W, 14000 W, 17600 W (trifase) 5300 W, 7100 W, 10500 W (monofase)
Schema di cablaggio
Uni interna
Uni interna
S1
S2
L1
L2
L3
N
S1
S2
A
B
C
O
UTDOOR UNIT
Uni interna
S1
S2
Un
i interna
OU
TDOOR
UN
I T
L
2
L1
L
N
2020447903 8 0
L
N
L
N
L
N
L
N
Alim
entazione monofa
se
220 - 240V
~50Hz
ca
vo a 3-fili 3x 1.0mm²
Alimentazi
one monofase
220 - 240V ~
50Hz
cavo a 3-f
ili 3x 1.0
mm²
Ali
ment
azione monofase
220 - 24
0V ~50Hz
ca
vo a 3-f
ili 3x 1.0mm²
Alim
entazione mono
fase
220
- 240V ~50Hz
cavo a 3
-fili 3x 1.0mm²
Cavo sch
ermato
a 2-fili (2x0.
5mm²)
Unità twin
s
opziona
le
Unità
twins
opzionale
Cavo sc
hermato
a 2-fili (2
x0.5mm²)
Alimentazione trifa
se
380
- 415V ~50Hz
(cavo a 5-fili 5x2
.5mm²)
Alimentazion
e monofase
220 - 240V ~50H
z
5300W - 710
0W (cavo a 3-fili 3x2.5mm
²)
10500 W (cavo a 3-fili 3x 4.0mm²)
10500 W, 14000W, 176000W
Unità Esterna Trifase
U nità Esterna Monofase
13

Related product manuals