EasyManua.ls Logo

MAXA 3500 W - Installation Regulations and Site Warnings; Electrical and Operational Installation Safety

MAXA 3500 W
Print Icon
To Next Page IconTo Next Page
To Next Page IconTo Next Page
To Previous Page IconTo Previous Page
To Previous Page IconTo Previous Page
Loading...
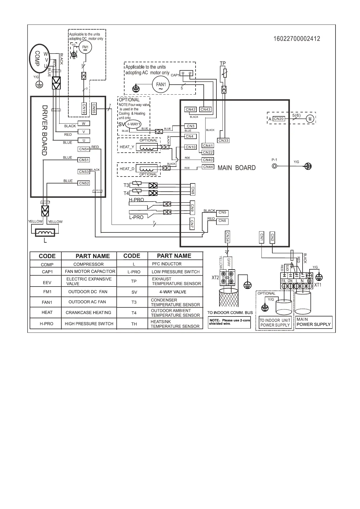
Mod.: SUPER DC INVERTER (10500 W) SINGLE PHASE POWER SUPPLY
36

Related product manuals