EasyManua.ls Logo

Maxx SP5 S - Water Circuit Diagram (SP5 S-MS)

Maxx SP5 S
60 pages
Print Icon
To Next Page IconTo Next Page
To Next Page IconTo Next Page
To Previous Page IconTo Previous Page
To Previous Page IconTo Previous Page
Loading...
Installation
- 29 -
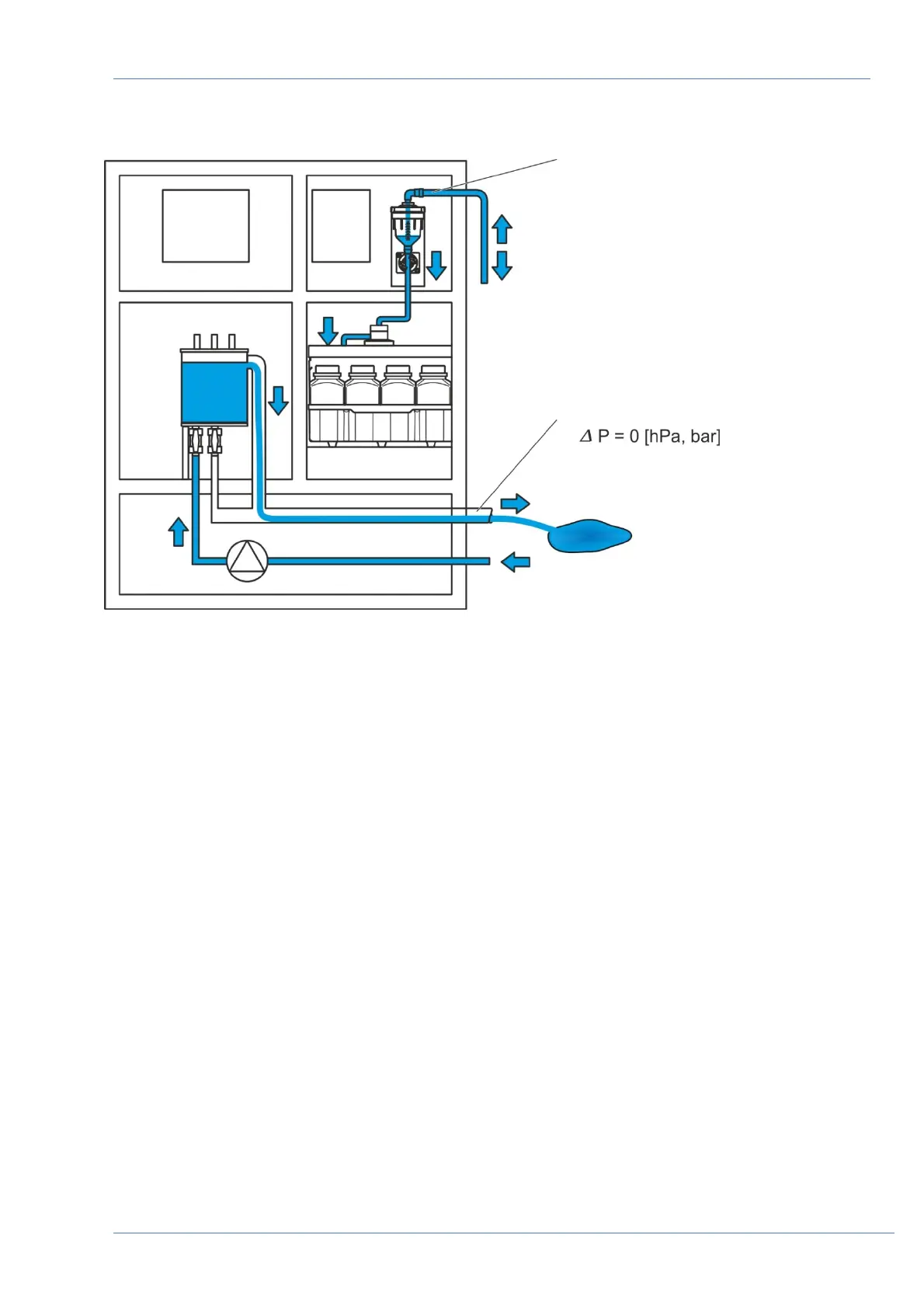
3.3.2.6 Water circuit diagram (SP5 S-MS)
Hose: nozzle 1/2
hose Ø (internal) 12 mm
Nose nozzle: Ø (internal) 40 mm
Abbildung Figure 37 Water circuit diagram (SP5 S-MS)

Table of Contents

Related product manuals