EasyManua.ls Logo

McCall MCCR1-S - Wiring Diagrams

McCall MCCR1-S
28 pages
Print Icon
To Next Page IconTo Next Page
To Next Page IconTo Next Page
To Previous Page IconTo Previous Page
To Previous Page IconTo Previous Page
Loading...
14
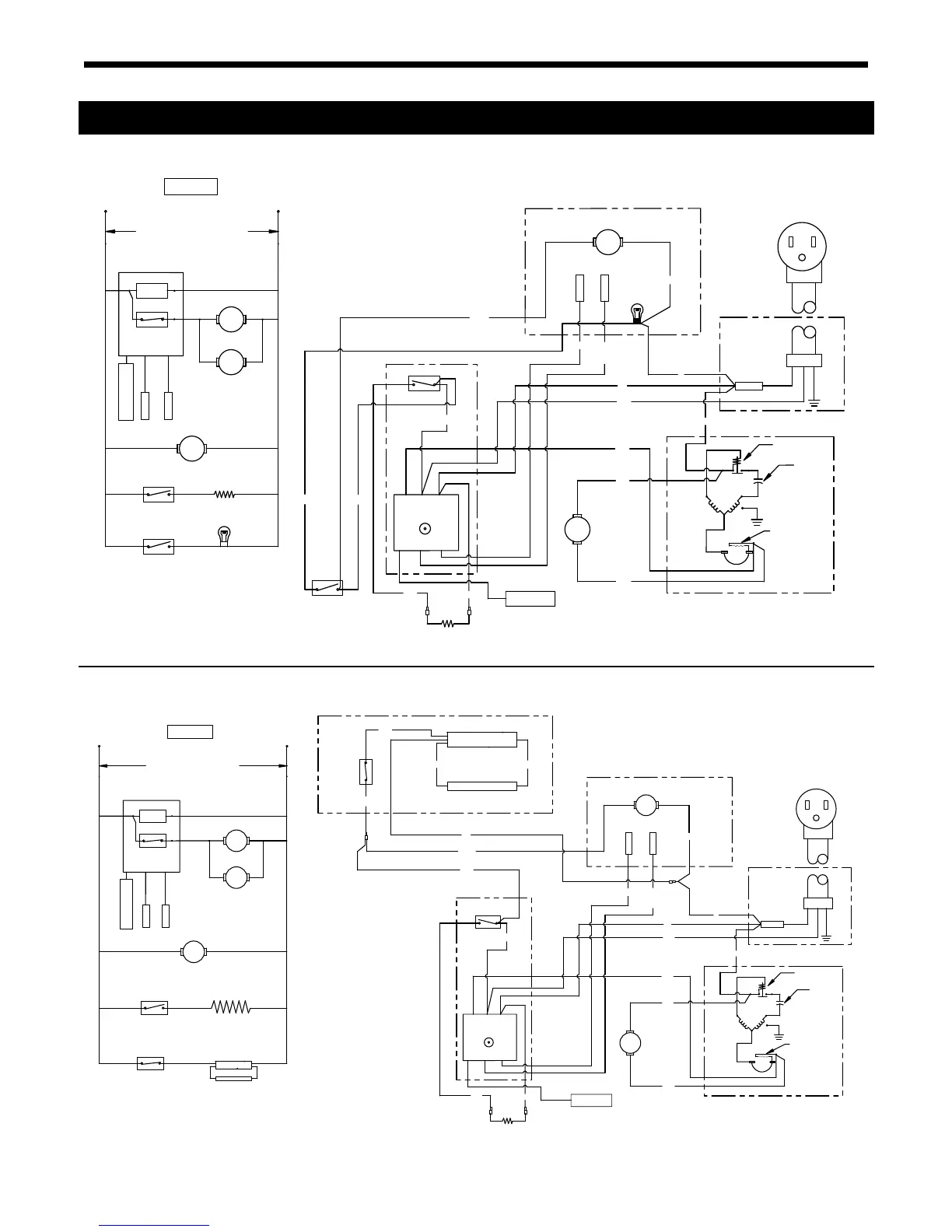
McCall Series I Reach-In Manual
Refrigerator Wiring Diagrams
,).%6/,4!'%

3%%.!-%0,!4%&/2-!8)-5-
&53%3):%
&!.-/4/2
#/.$%.3%2
#/-02%33/2
4%-0%2!452%
#/.42/,
3%.3/2
)&53%$
,%$$)30,!9
%6!0#/),
,
#!").%4!)2
3%.3/2
#
.
,

5.)43(/7.7)4(#/-02%33/2
-
-
.
"/8
#/.42/,
(%!4%2
$//2&2!-%%.%2'93!6%2
37)4#(
%6!0/2!4/2
&!.-/4/2
-
25..).'!.$$//23#,/3%$
4()35.)4-534"%'2/5.$%$
53%#/00%2#/.$5#4/23/.,9
%.%2'93!6%237)4#(
",+
",5%
37)4#(
$//2
",+
().'%
$//2
2%$

#/.42/,
4%-0%2!452%
(
",+
,#
,
7
.
&
)&53%$
,%$$)30,!9
-
37)4#(
34!24
7).$).'


&!.
#/.$%.3%2
",+
7).$).'
25.

342)0%3
7)4(",5%
%6!0/2!4/2(/53).'
-/4/2
%6!0&!.
3%.3/2
#!").%4!)2
7
7
%6!0#/),
3%.3/2
-
,)'(4
).#!.$%3#%.4
7
",+
",+
7
7
7

34!24
'2/5.$
-/4/202/4%#4/2
#/-02%33/2

#!0!#)4/2
0/7%2"/8
34!242%,!9
30,)#%
.54
7)2%
0,5'
#/-02%33/2
",+
&2!-%(%!4%23
./4%3

#/.42/,
#)2#5)4
2%,!9
#/-02%33/2
,)'(4
).#!.$%3#%.4

"/8
#/.42/,
%.%2'93!6%2
",+
",5%

#/.42/,
4%-0%2!452%
(
",+
,#
,
7
.
&
)&53%$
,%$$)30,!9
-
34!24
7).$).'


&!.
#/.$%.3%2
",+
7).$).'
25.

%6!0/2!4/2(/53).'
-/4/2
%6!0&!.
3%.3/2
#!").%4!)2
%6!0#/),
3%.3/2
-
7
",+
",+
7
7
7

34!24
'2/5.$
-/4/202/4%#4/2
#/-02%33/2

#!0!#)4/2
0/7%2"/8
34!242%,!9
30,)#%
.54
7)2%
0,5'
#/-02%33/2
",+
&2!-%(%!4%23
37)4#(
&,5/2%3#%.4,!-0
,!-0
&,5/2%3#%.4
2%$
",5%
&,5/2%3#%.4,)'(4
"!,,!34
",+
",+
37)4#(
&,5/2%3#%.4,!-0!33%-",9
7
",+
%6!0/2!4/2
&!.-/4/2
,!-037)4#(
&,5/2%3#%.4
-
,
3%.3/2
,%$$)30,!9
)&53%$
%6!0#/),
#!").%4!)2
3%.3/2
&,5/2%3#%.4
&,5/2%3#%.4
,!-0"!,,!34
,!-0
#/-02%33/2
&!.-/4/2
#/.$%.3%2
-
-
.
37)4#(
%.%2'93!6%2
(%!4%2
$//2&2!-%
5.)43(/7.7)4(#/-02%33/2
25..).'!.$$//23#,/3%$
4()35.)4-534"%'2/5.$%$
53%#/00%2#/.$5#4/23/.,9
./4%3
#/.42/,
#)2#5)4
4%-0%2!452%
#/.42/,
2%,!9
#/-02%33/2

,

#
.
,).%6/,4!'%

3%%.!-%0,!4%&/2-!8)-5-
&53%3):%
7
7
7)4(",5%
342)0%3

MCCR1, MCCRPT1 - Solid Doors
MCCR1, MCCRPT1 - Glass Doors

Related product manuals