EasyManua.ls Logo

McCulloch M1638 - Tractor Mower Deck Components; Mower Deck Assembly Diagram

McCulloch M1638
20 pages
Print Icon
To Next Page IconTo Next Page
To Next Page IconTo Next Page
To Previous Page IconTo Previous Page
To Previous Page IconTo Previous Page
Loading...
16
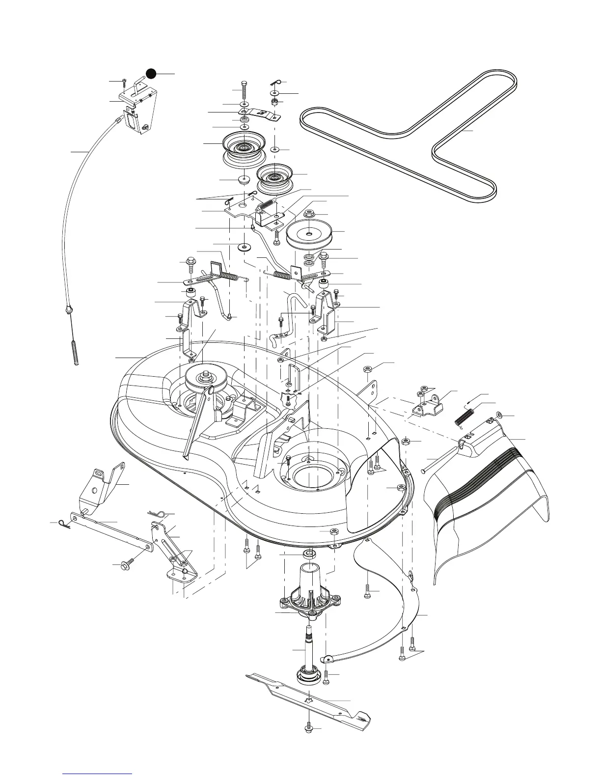
REPAIR PARTS
TRACTOR - - MODEL NUMBER M1638 (96011021301), PRODUCT NO. 960 11 02-13
MOWER DECK
38_deck-manual_4
8
6
19
4
149
21
2
15
14
18
18
20
2
21
21
194
7
30
30
7
30
1
30
191
190
72
192
31
32
33
188
144
68
148
36
89
40
45
186
108
158
152
107
89
89
37
56
45
55
195
72
192
190
191
189
194
67
185
123
122
150
189
193
21
2
187
21
21
27
26
25
24
23
21
29
18
11
13
3
5
30

Related product manuals