EasyManua.ls Logo

McCulloch MC13538LT - MOWER DECK

McCulloch MC13538LT
20 pages
Print Icon
To Next Page IconTo Next Page
To Next Page IconTo Next Page
To Previous Page IconTo Previous Page
To Previous Page IconTo Previous Page
Loading...
14
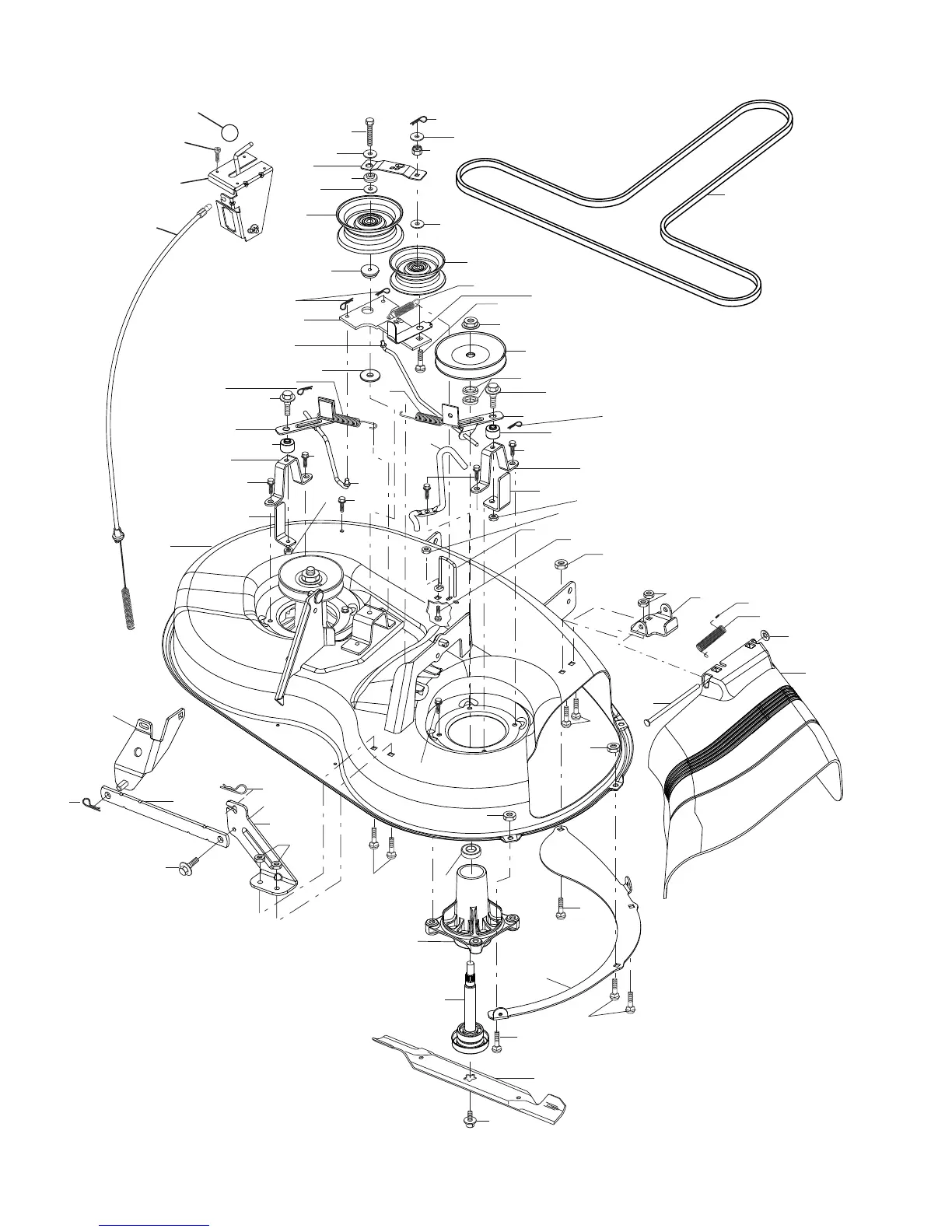
TRACTOR - - MODEL NUMBER MC13538LT (96012010300), PRODUCT NO. 960 12 01-03
MOWER DECK
38-7_deck-manual_22
8
6
19
4
149
21
2
15
14
18
18
20
2
21
21
194
7
30
30
7
30
1
30
191
190
72
214
31
32
33
188
144
68
148
36
89
40
45
186
108
107
89
89
37
56
45
45
45
55
195
72
214
190
191
189
194
123
122
208
150
189
193
21
2
187
21
21
27
26
25
24
23
29
18
11
13
3
5
30
185
67
158
42_clutch_mod_7
152

Related product manuals