EasyManua.ls Logo

McCulloch MC13538LT - SCHEMATIC

McCulloch MC13538LT
20 pages
Print Icon
To Next Page IconTo Next Page
To Next Page IconTo Next Page
To Previous Page IconTo Previous Page
To Previous Page IconTo Previous Page
Loading...
3
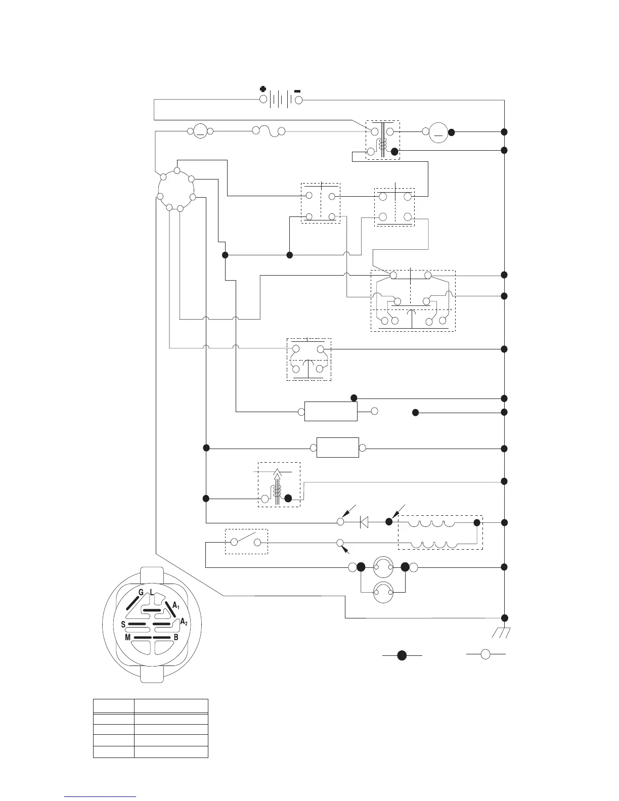
TRACTOR - - MODEL NUMBER MC13538LT (96012010300), PRODUCT NO. 960 12 01-03
SCHEMATIC
BATTERY
FUSE
AMMETER
(OPTIONAL)
RED
RED
RED
RED
WHITE
BLACK
BLUE
BLACK
BLACK
BLACK/WHITE
BLACK
BLACK
BLUE
BLUE
BROWN
BLACK
BLACK
GRAY
GRAY
BLACK
D
IO
N
ELOS
M
A
STARTER
CLUTCH / BRAKE
(PEDAL UP)
SEAT SWITCH
(NOT OCCUPIED)
IGNITION
UNIT
HOUR
METER
FUEL
LINE
FUEL SHUT-OFF
SOLENOID
HEADLIGHTS
S
M
B
G
A1
A2
L
REVERSE SWITCH
SPARK PLUGS
GAP
(2 PLUGS
ON TWIN CYL. ENGINES)
(OPTIONAL)
NOT IN REVERSE
LIGHT SWITCH
SHORTING CONNECTOR
ATTACHMENT CLUTCH
(CLUTCH OFF)
REMOVABLE
CONNECTIONS
NOTE
YOUR TRACTOR IS
EQUIPPED WITH A SPECIAL
ALTERNATOR SYSTEM.
THE LIGHTS ARE NOT
CONNECTED TO THE
BATTERY, BUT HAVE THEIR
OWN ELECTRICAL SOURCE.
BECAUSE OF THIS, THE
BRIGHTNESS OF THE LIGHTS
WILL CHANGE WITH ENGINE
SPEED. AT IDLE THE LIGHTS
WILL DIM. AS THE ENGINE IS
SPEEDED UP, THE LIGHTS
WILL BECOME THEIR BRIGHTEST.
WIRING INSULATED CLIPS
NOTE: IF WIRING INSULATED CLIPS
WERE REMOVED FOR SERVICING OF
UNIT, THEY SHOULD BE RE-INSTALLED
TO PROPERLY SECURE YOUR WIRING.
IGNITION SWITCH
CIRCUITPOSITION
OFF
B+A1
RUN/OVERRIDE
B+S+A1START
M+G+A1
B+A1RUN
“MAKE”
L+A2
NON-REMOVABLE
CONNECTIONS
SCH03
ORANGE
LIGHTING SYSTEM OUTPUT
5 AMP AC @ 3600 RPM
STATOR
14 VOLTS AC MIN. @ 3600 RPM (LIGHTS OFF)
DIODE
28 VOLTS AC MIN. @ 3600 RPM
(CHARGING SYSTEM DISCONNECTED)
CHARGING SYSTEM OUTPUT
3AMPDC@3600RPM

Related product manuals