EasyManua.ls Logo

McIntosh MA6200 - Page 26

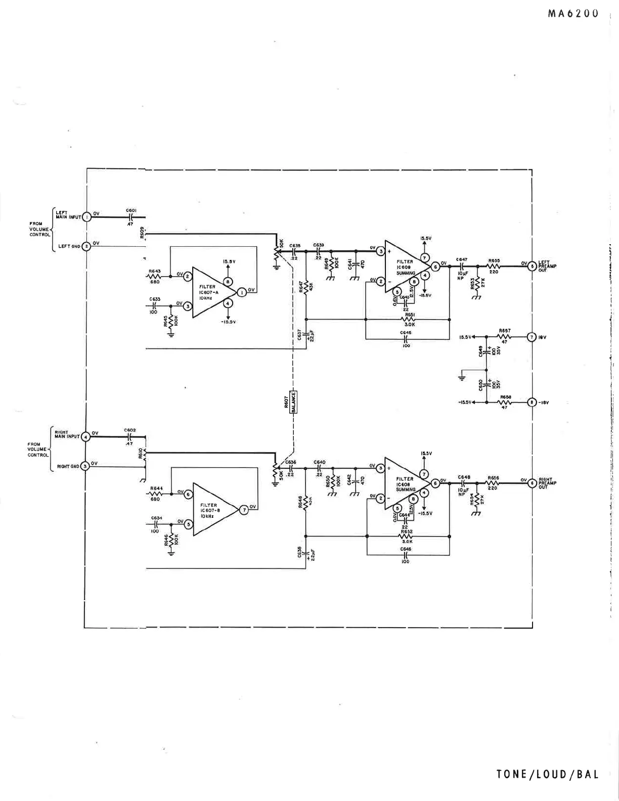
McIntosh MA6200
34 pages
Print Icon
To Next Page IconTo Next Page
To Next Page IconTo Next Page
To Previous Page IconTo Previous Page
To Previous Page IconTo Previous Page
Loading...
MAó200
ì
-.]
reæ
LEil
¡ rlt
47
FROT
CONTROL
FROH
cqtRoL
i
I
!
d
¡
t
'i
I
I
i
I
I
t
i
I
i
I
li
ll
ll
il
lt
tl
rl
it
ii
ii
!l
i
l
i
c
I
I
I
i
.
i
R66?
LEFf
220
F
TP
I
I.
I
I
l
I
I
I
I
I
I
I
I
Fh
sl
il
-T.
I
I
I
I
c6t
Þ
I
t¡v
-t0v
3
laSv
ñffi
I
FILlER
tc60e
FILfER
tc607-a
lOlat
lv
O
kHr
FI LfER
tc607-ð
FILfER
tc608
T0NE/L0UD/BAL

Other manuals for McIntosh MA6200

Related product manuals