EasyManua.ls Logo

McIntosh MA6200

McIntosh MA6200
34 pages
To Next Page IconTo Next Page
To Next Page IconTo Next Page
To Previous Page IconTo Previous Page
To Previous Page IconTo Previous Page
Loading...
+
rcÍER
tc 80¿
GUÂRO
ov
POTER
URO
LIMIÎ
LAYP
DRIVER
dÂn0
c824)
tav
I
__l
a
RA24
c822
x
E
ta
oât8
3
1.8
ah
c840
o822
NECAIIVE
MIVER
ñü
SETSE
L802
'
rcstftvE
CURRENT
I
G
o8t4
DB I6
o
POStftvE
mtvE
LITIIEñ
)o.,o
)o,..
t8
o
POS|ïVE I
onrv¿n T
t3
1
MAó2OO
o4
Âuoto out
POStTIVE
ÙTPUI
NEOATIVE
OUfPUT
oNo
tsv
.)
I
I
I
lco
-.t
ME IO
I
I
___J
t.8 Í
270K
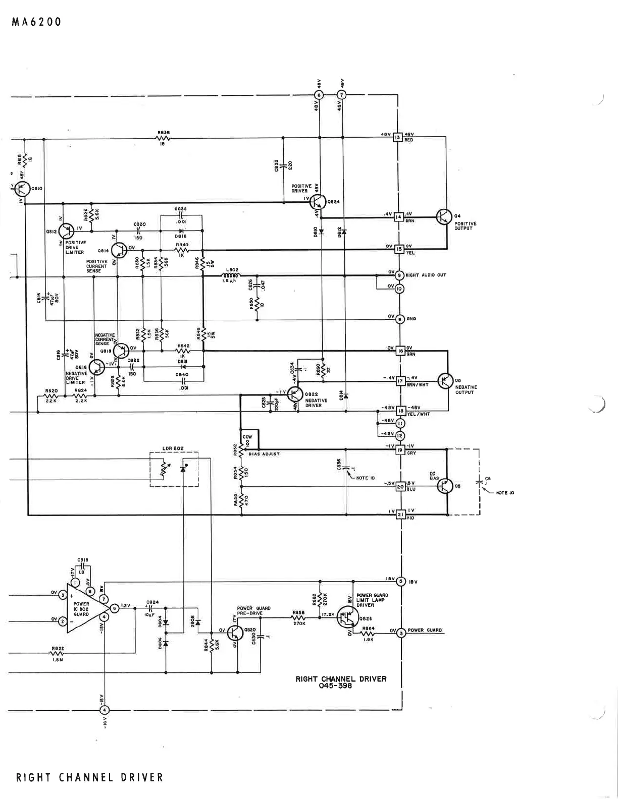
RIGHT CHANNEL
DRIVER
045-398
9
I
)
R3!A
c8 t8
RIGHT CHANNEL
DRIVER
_l

Other manuals for McIntosh MA6200

Related product manuals