EasyManua.ls Logo

McIntosh MC1201 - Rear Panel Connections and Switch; Input Connections; Output Connections; Power Control and Input Mode

McIntosh MC1201
24 pages
Print Icon
To Next Page IconTo Next Page
To Next Page IconTo Next Page
To Previous Page IconTo Previous Page
To Previous Page IconTo Previous Page
Loading...
9
10
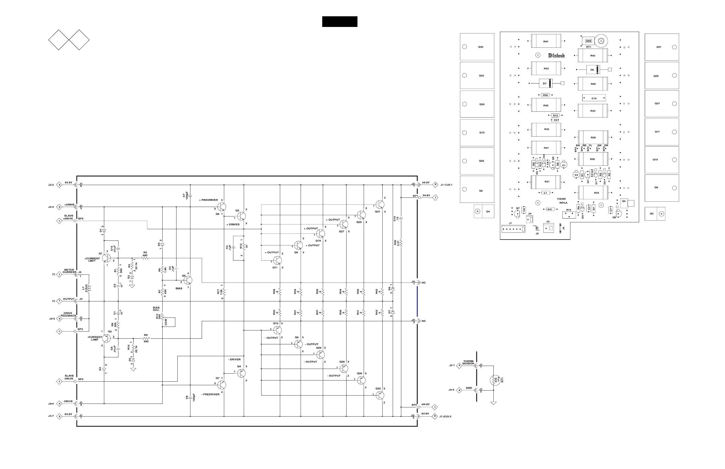
HEATSINK 049485
2A
MC1201
2B

Other manuals for McIntosh MC1201

Related product manuals