EasyManua.ls Logo

McLean T20 - Installation Wire Diagram (Without Heat)

McLean T20
16 pages
Print Icon
To Next Page IconTo Next Page
To Next Page IconTo Next Page
To Previous Page IconTo Previous Page
To Previous Page IconTo Previous Page
Loading...
© 2010 Pentair Technical Products
87976494
- 6 -
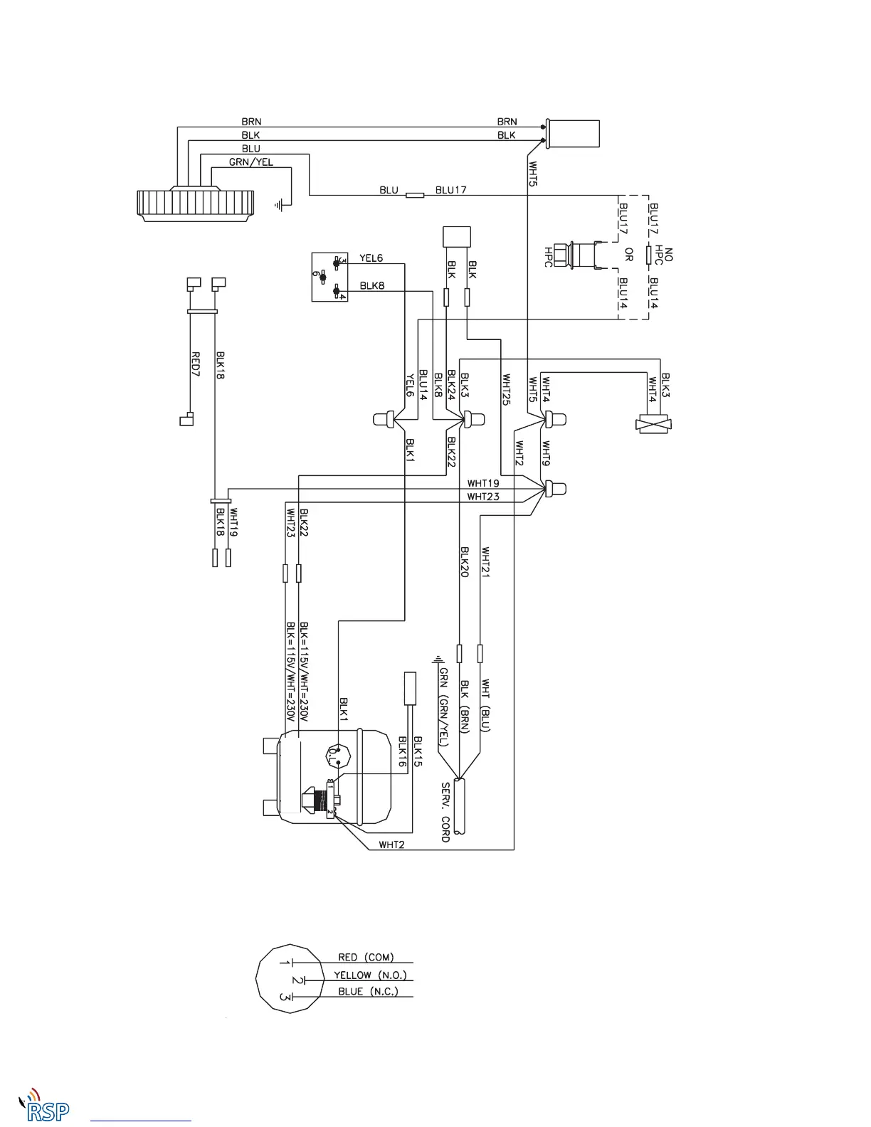
Wire Diagrams
Without Heat
CONDENSER
IMPELLER
RUN CAPACITOR
SUPPRESSOR
(OPTIONAL)
COOLING
THERMOSTAT
EVAPORATOR FAN
COMPRESSOR
HEATER (OPTIONAL)
OPTIONAL MALF
SWITCH
START CAPACITOR
230V ONLY
COMPRESSOR
RELAY
(OPTIONAL)
Remote Site Products - 1-888-532-2706 - www.remotesiteproducts.com
http://www.remotesiteproducts.com/p-5803-Hoffman-T200216G100-T-Series-AC-115V-2000-BTU-Outdoor.aspx

Related product manuals