EasyManua.ls Logo

McQuay AGZ 030A - Page 22

McQuay AGZ 030A
88 pages
Print Icon
To Next Page IconTo Next Page
To Next Page IconTo Next Page
To Previous Page IconTo Previous Page
To Previous Page IconTo Previous Page
Loading...
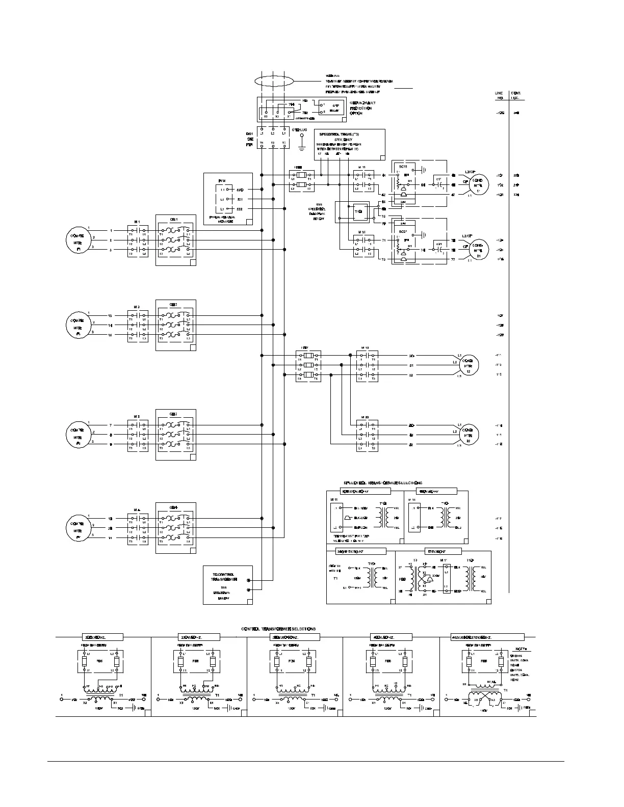
22 AGZ 030A through 065A IOM 686
Figure 11, Single-point Connection with SpeedTrol

Table of Contents

Related product manuals