EasyManua.ls Logo

McQuay M5MSY20BR - Page 16

McQuay M5MSY20BR
98 pages
Print Icon
To Next Page IconTo Next Page
To Next Page IconTo Next Page
To Previous Page IconTo Previous Page
To Previous Page IconTo Previous Page
Loading...
13
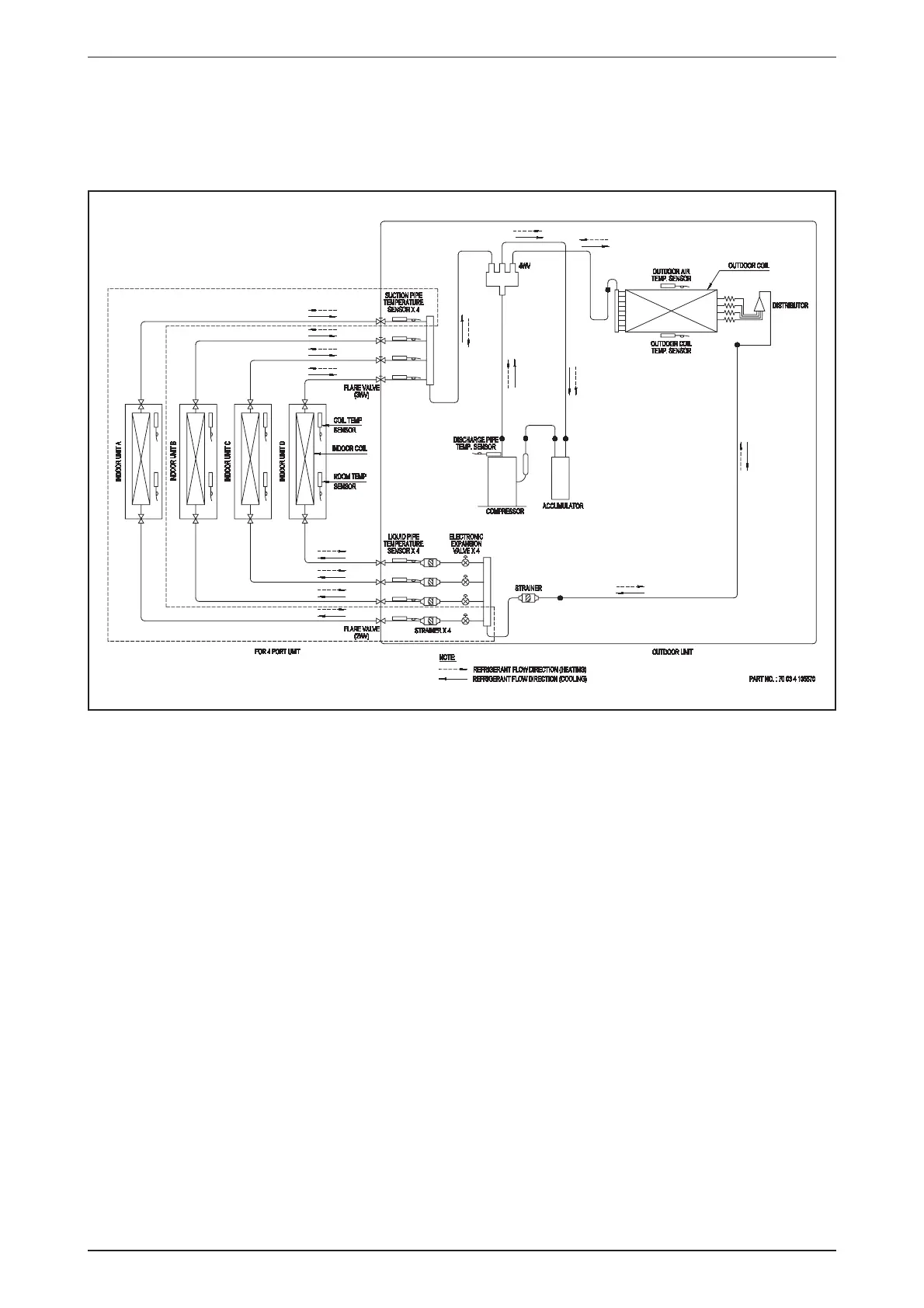
Application Information M5MSY-2010
Refrigerant Circuit Diagram
Model: M5MSY25BR
M5MSY30BR

Related product manuals