EasyManua.ls Logo

McQuay M5WM 015GR - Page 68

McQuay M5WM 015GR
118 pages
Print Icon
To Next Page IconTo Next Page
To Next Page IconTo Next Page
To Previous Page IconTo Previous Page
To Previous Page IconTo Previous Page
Loading...
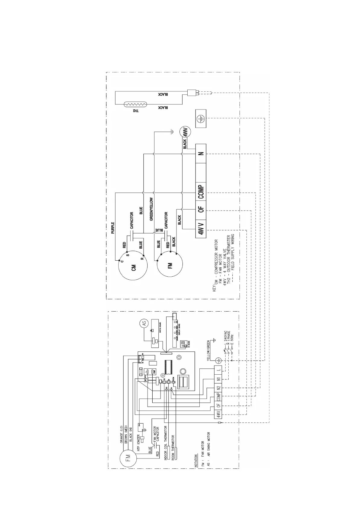
Heatpump Models
Outdoor Unit
Model : MLC / M5LC 020CR / 025CR
66
Indoor Unit
Model : MWM / M5WM 020GR / 025GR (With NTP)

Related product manuals