EasyManua.ls Logo

McQuay MCI16060CCU216A

McQuay MCI16060CCU216A
83 pages
To Next Page IconTo Next Page
To Next Page IconTo Next Page
To Previous Page IconTo Previous Page
To Previous Page IconTo Previous Page
Loading...
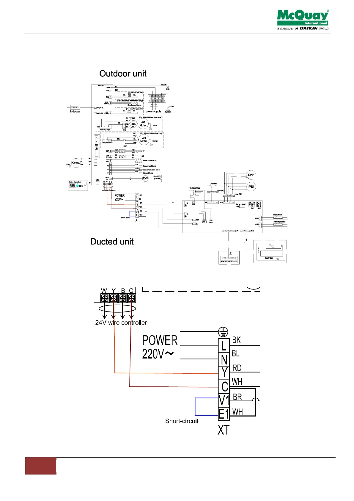
R410A 60Hz 16 SEER Universal Outdoor Series Technical Manual
81
16 seer Outdoor with Duct.

Related product manuals