EasyManua.ls Logo

McQuay MVCU 025 A - Page 25

McQuay MVCU 025 A
43 pages
Print Icon
To Next Page IconTo Next Page
To Next Page IconTo Next Page
To Previous Page IconTo Previous Page
To Previous Page IconTo Previous Page
Loading...
23
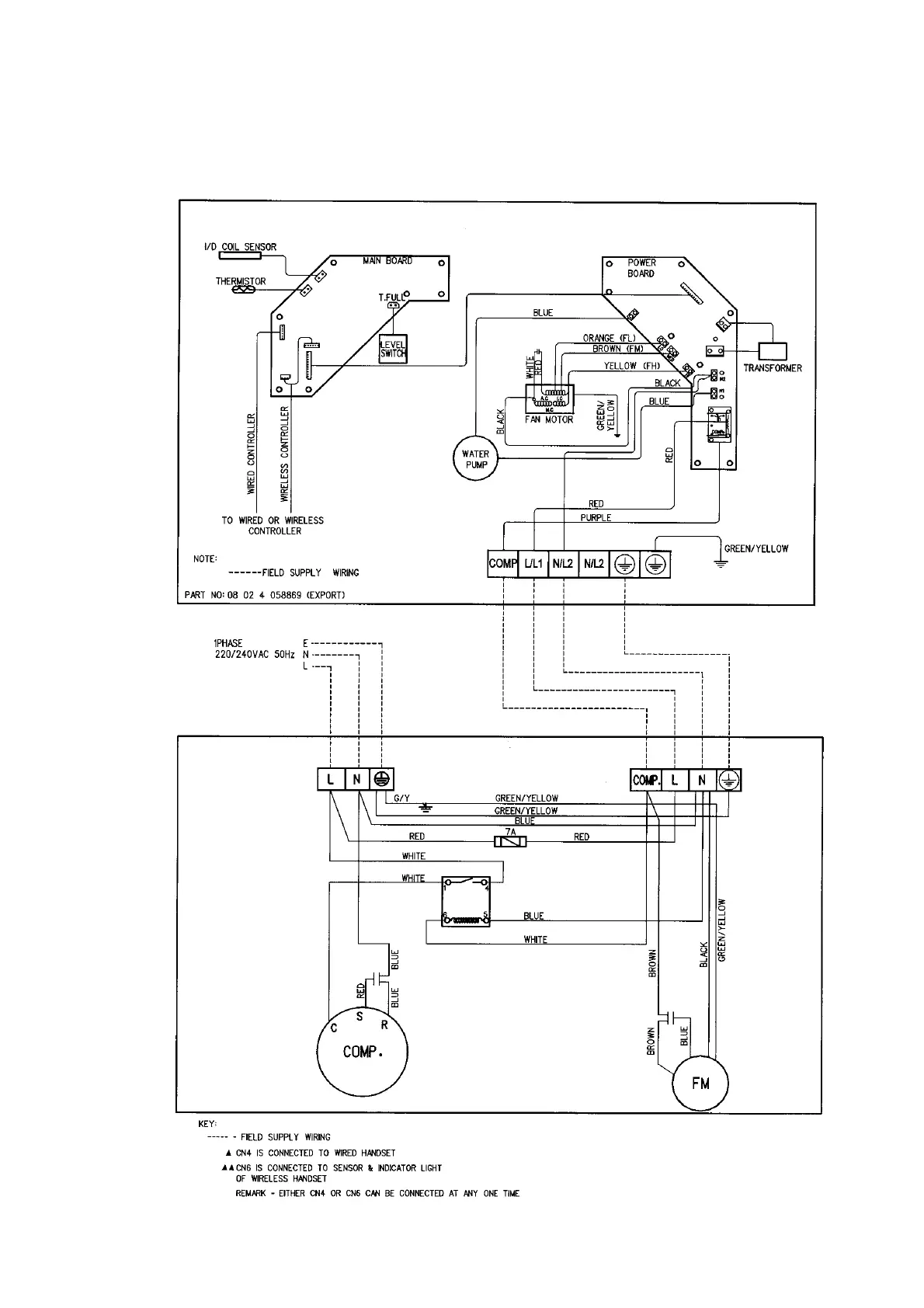
CEILING CASSETTE B SERIES
INDOOR UNIT
MODEL : MCK 025B
OUTDOOR UNIT
MODEL : MVCU 025A

Related product manuals