EasyManua.ls Logo

McQuay MVCU 025 A - Page 26

McQuay MVCU 025 A
43 pages
Print Icon
To Next Page IconTo Next Page
To Next Page IconTo Next Page
To Previous Page IconTo Previous Page
To Previous Page IconTo Previous Page
Loading...
24
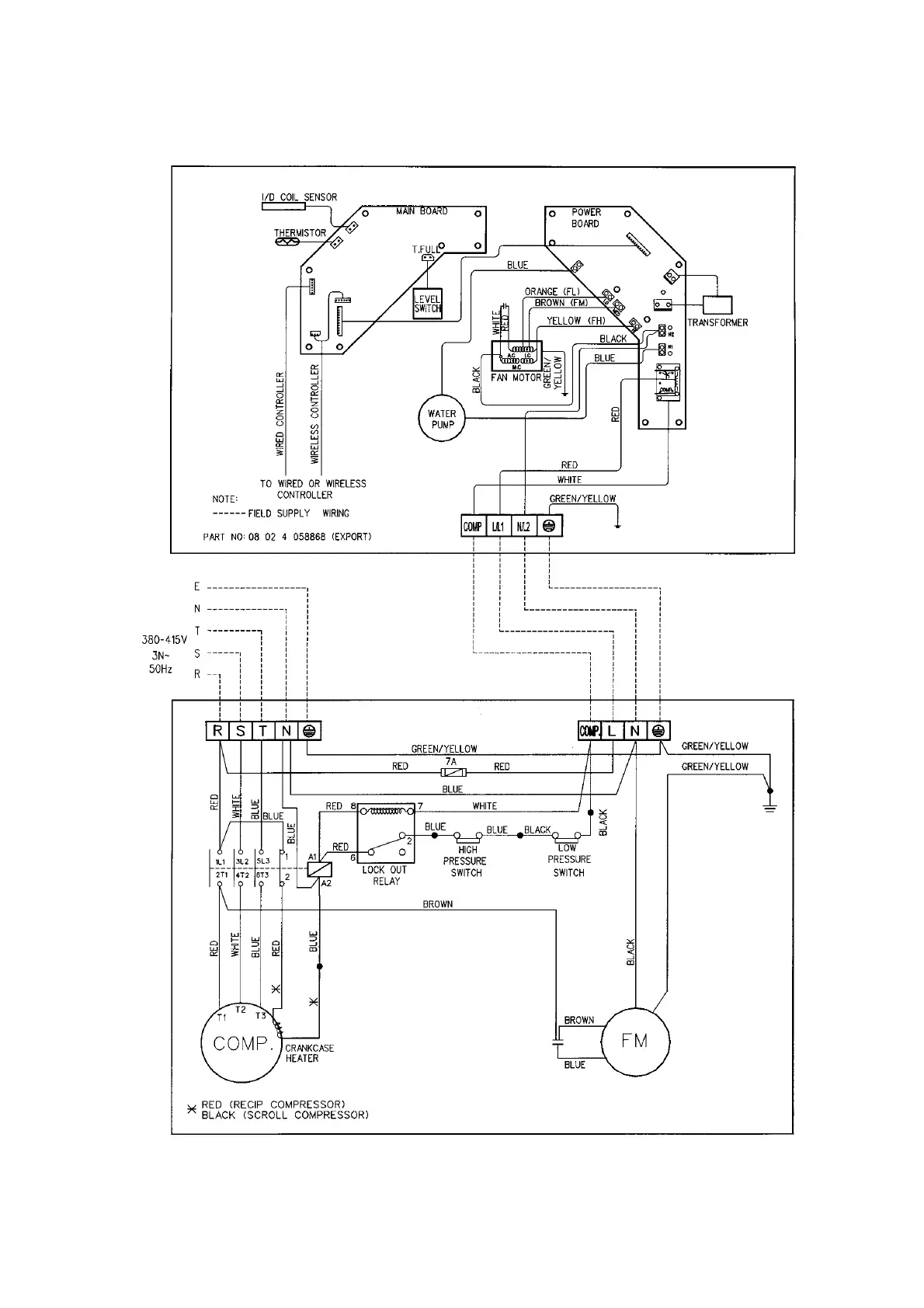
INDOOR UNIT
MODEL : MCK 030B
OUTDOOR UNIT
MODEL : MVCU 030A

Related product manuals