EasyManua.ls Logo

MCS B 35 CEG - Page 112

MCS B 35 CEG
118 pages
Print Icon
To Next Page IconTo Next Page
To Next Page IconTo Next Page
To Previous Page IconTo Previous Page
To Previous Page IconTo Previous Page
Loading...
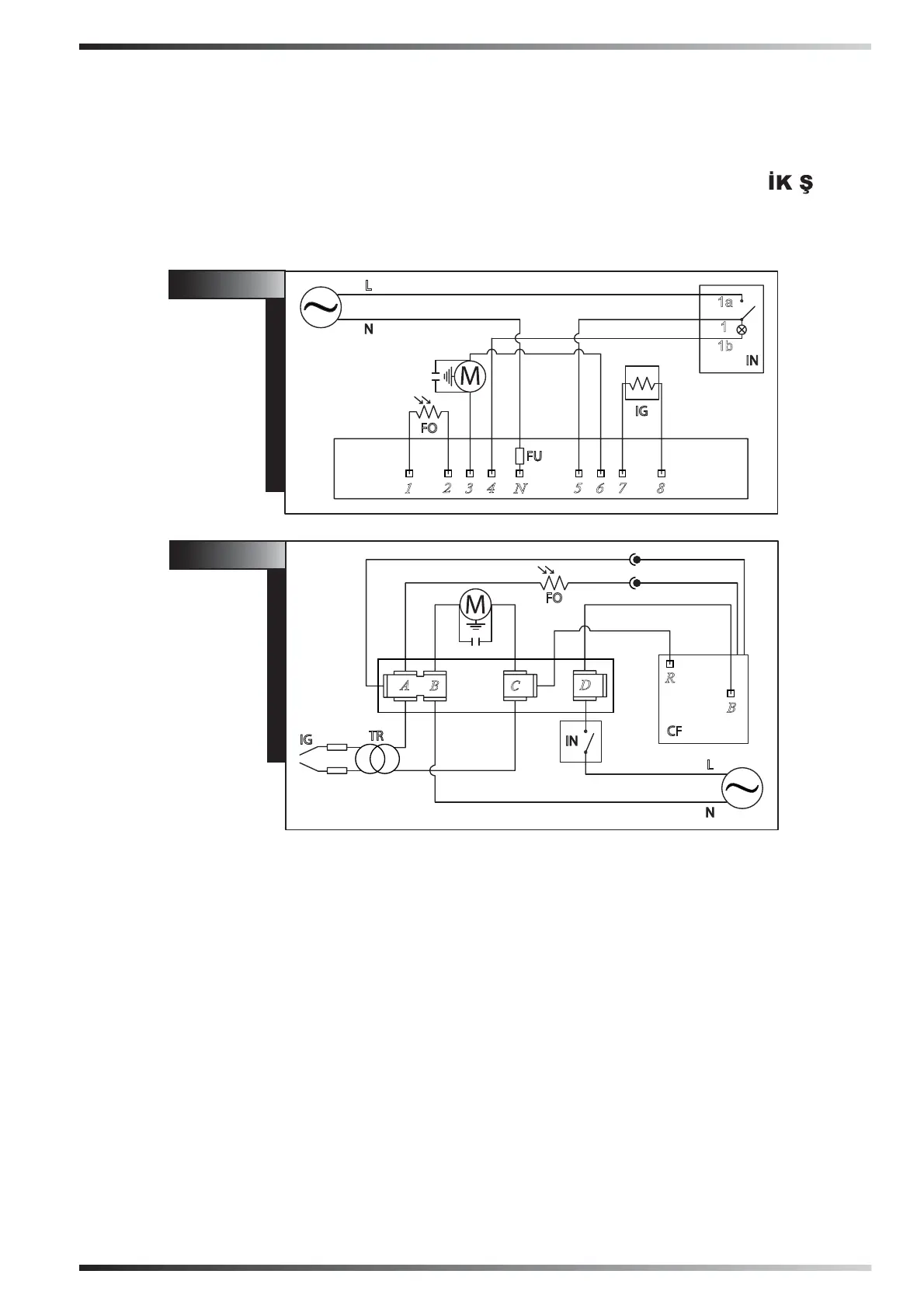
SCHEMI ELETTRICI - WIRING DIAGRAMS - SCHALTPLÄNE - ESQUEMAS
ELÉCTRICOS - SCHEMAS ELECTRIQUES - ELEKTRISCHE SCHEMA’S -
ESQUEMAS ELÉCTRICOS - ELEKTRISKE SKEMAER - SÄHKÖKAAVIOT
- KOPLINGSSKJEMA - ELEKTRISKA KOPPLINGSSCHEMAN - SCHEMATY
ELEKTRYCZNE - ЭЛЕКТРИЧЕСКИЕ СХЕМЫ - ELEKTRICKÁ SCHÉMATA
- VILLANYBEKÖTÉSI RAJZOK - ELEKTRIČNE SHEME - ELEKTR
EMA-
LARI - ELEKTRIČNE SHEME - ELEKTROS SCHEMOS - ELEKTRISKĀS
SHĒMAS - ELEKTRISKEEMID - SCHEME ELECTRICE - ELEKTRICKÉ
SCHÉMY - ЕЛЕКТРИЧЕСКИ СХЕМИ - ΗΛΕΚΤΡΙΚΑ ΣΧΕΔΙΑ -
线路图
M= Motore - Motor - Motor - Motor - Moteur - Motor - Motor - Motor - Moottori - Motor - Motor - Silnik - Двигатель - Motor - Motor -
Motor - Motor - Motor - Variklis - Dzinējs - Mootor - Motor - Motor - Двигател - Κινητήρας - 电机.
IN= Interuttore - Switch - Schalter - Interruptor - Interrupteur - Schakelaar - Interuptor - Afbryder - Katkaisin - Bryter - Strömbrytare
- Wyłącznik - Выключатель - Vypínač - Megszakító - Stikalo - Düğme - Prekidač - Jungiklis - Slēdzis - Lüliti - Întrerupător -
Vypínač - Прекъсвач - Διακόπτης - 开关.
TR= Trasformatore - Transformer - Transformator - Transformador - Transformateur - Transformator - Transformador - Transfor-
mator - Muunnin - Transformator - Transformator - Transformator - Трансформатор - Transformátor - Transzformátor - Tran-
sformator - Trasformatör - Transformator - Transformatorius - Transformators - Transformaator - Transformator - Transformátor
- Трансформатор - Μετασχηματιστής -点火变压器.
CF= Controllo Fiamma - Flame Control - Flammkontrolle - Control de la llama - Contrôle de la Flamme - Controle Vlam - Controlo
Chama - Kontrol Flamme - Liekin tarkkailu - Flammekontroll - Flamvakt - Sterowanie Płomieniem - Контроллер пламени -
Kontrola plamene - Lángőr - Nadzor plamena - Alev Kontrolü - Kontrola Plamena - Liepsnos valdymas - Liesmas Kontrole -
Leegikontrolli seade - Control Flacără - Kontrola plameňa - Проверк на искрата - Έλεγχος Φλόγας -火焰控制.
IG= Accenditore - Igniter - Anzünder - Encendedor - Allumeur - Ontsteker - Acendedor - Tænder - Sytytin - Tenner - Tändare -
Element zapłonowy - Запальник - Zapalovač - Begyújtó - Vžigalo - Ateşleyici - Uključivač - Uždegiklis - Ieslēdzē
js - Süütur -
Aprinzător - Zapaľovač - Горелка - Αναφλεκτήρας - 点火针.
FO= Fotoresisteza - Photoresistance - Fotowiderstand - Fotorresistencia - Photorésistance - Fotoweerstand - Foto-resistência -
Fotomodstand - Valovastus - Fotomotstand - Fotomotstånd - Fotorezystor - Фоторезистор - Fotoelektrický odpor - Fotócella
ellenállás - Fotoupor - Fotorezistans - Fotootpornost - Fotorezistorius - Fotorezistors - Fototakisti - Fotorezistenţă - Fotoe-
lektrický odpor - Фоторезистор - Φωτοαντίσταση - 光电感应器.
FU= Fusibile - Fuse - Schmelzsicherung - Fusibile - Fusée - Veiligheid - Fusível - Sikring - Sulake - Fuse - Säkring - Bezpiecznik
- Предохранитель - Pojistka - Biztosíték - Fuse - Sigorta - Osigurač - Saugiklių - Drošinātājs - Kaitse - Siguranţă - Poistka -
Предпазител - Ασφάλεια - 保险丝.
L= Linea - Line - Leitung - Línea - Ligne - Lijn - Linha - Linje - Linja - Linje - Linje - Linia - Линия - Linka - Sor - Linija - Hat - Linija -
Linija - Līnija - Liin - Linie - Linka - Линия - Γραμμή - 线.
N= Neutro - Neutral - Nullleiter - Neutro - Neutre - Neutraal - Neutro - Neutral - Neutraali - Nøytral - Noll - Neutralny - Нейтраль - Neu-
trální - Semleges - Nevtralni vod - Nötr - Neutralna - Neutralus - Neitrāls - Neutraal - Nul - Neutrál - Неутрално - Ουδέτερο - 零线.
110-120 V ~ 50 Hz
110-120 V ~ 50 Hz
CEL
CED
L
N
1a
1b
1
1
2
N
3
4
8
7
6
5
IN
FU
FO
IG
R
B
A
D
CB
L
N
IN
CF
TR
FO
IG

Related product manuals