EasyManua.ls Logo

Mec 4069RT - Page 76

Mec 4069RT
184 pages
Print Icon
To Next Page IconTo Next Page
To Next Page IconTo Next Page
To Previous Page IconTo Previous Page
To Previous Page IconTo Previous Page
Loading...
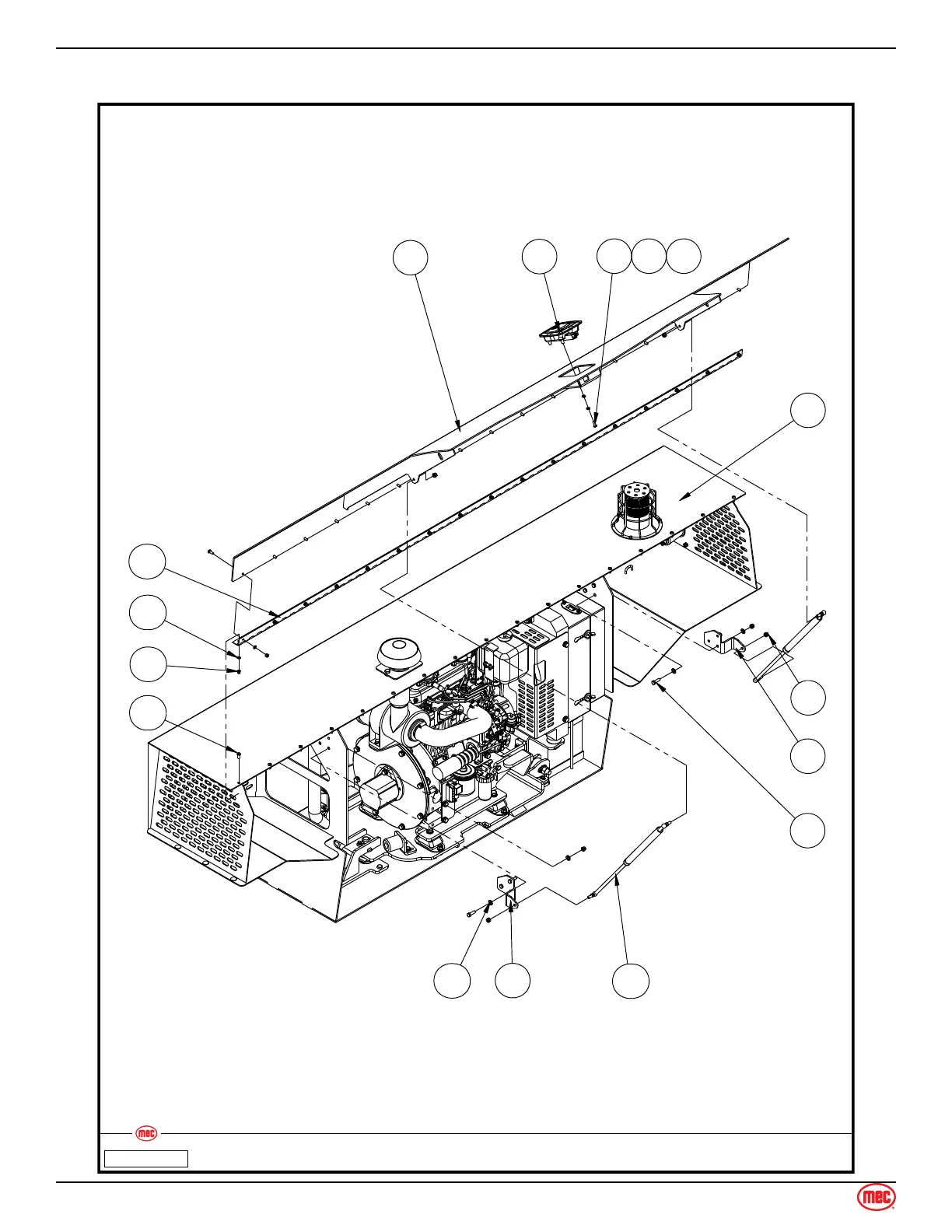
Page 71 XX69RT Series - Service & Parts Manual
November 2022Section 8 - Chassis
Engine Module Door Installation
Engine Module Door Installation69RT Series
Art_5410
ILLUSTRATION No.
1
2
3
4
5
6
7
8
9
10
13
14
15
16
11
12

Other manuals for Mec 4069RT

Related product manuals