EasyManua.ls Logo

Mec Micro 13-XD - Section 12 - Schematics; ElectrCal SchematC

Default Icon
84 pages
Print Icon
To Next Page IconTo Next Page
To Next Page IconTo Next Page
To Previous Page IconTo Previous Page
To Previous Page IconTo Previous Page
Loading...
Page 31 Micro 13-XD - Service & Parts Manual
July 2020
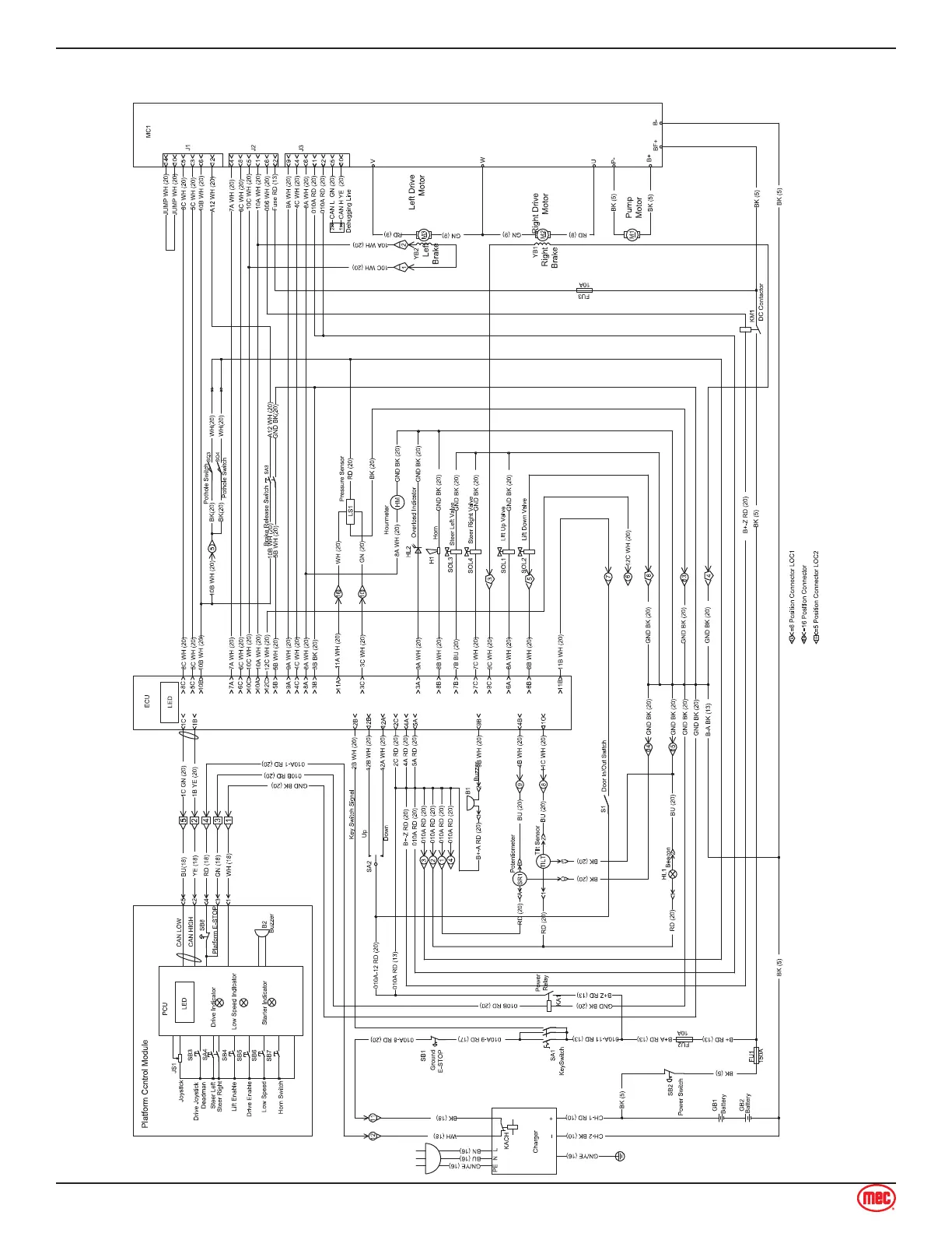
Electrical Schematic
Section 12 - Schematics
Electrical Schematic

Table of Contents

Other manuals for Mec Micro 13-XD

Related product manuals