EasyManua.ls Logo

Mec Micro 13-XD - HydraulC Hoses and FTtNgs

Default Icon
84 pages
Print Icon
To Next Page IconTo Next Page
To Next Page IconTo Next Page
To Previous Page IconTo Previous Page
To Previous Page IconTo Previous Page
Loading...
Page 70 Micro 13-XD - Service & Parts Manual
July 2020
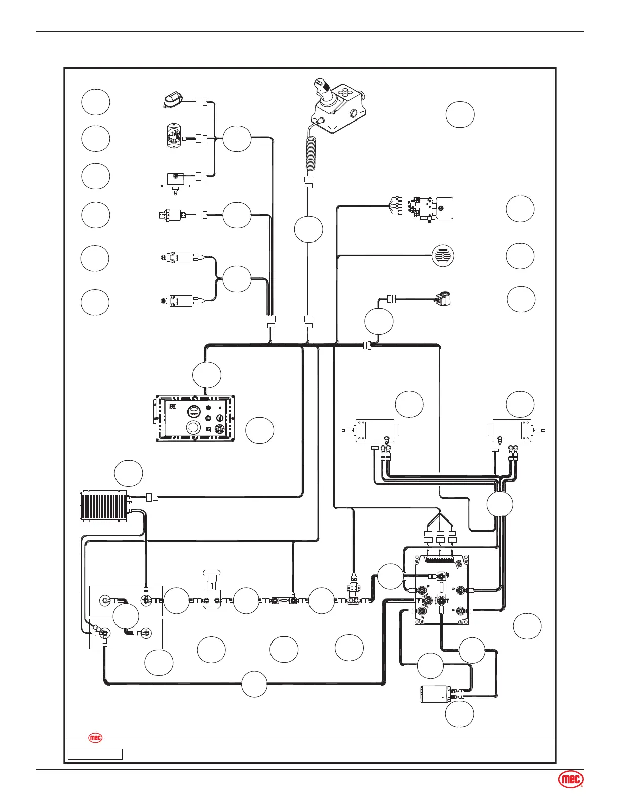
Electrical Harness
Electrical HarnessMicro 13-XD
Art_5644
ILLUSTRATION No.
21
34
33
16
16
18
31
11
14
30
29
6
26
25
9
28
32
15
Ground Control
Assembly
1
22
8
10
27
2
Limit
Switch
Limit
Switch
Rotary
Sensor
Platform Control
Box Assembly
Hydraulic
Power Unit
Beacon
Left Motor
Right Motor
Motor
Controller
Motor
DC
Contactor
Power
Switch
Battery
Charger
7
23
Horn
24
Coil
5
3
17
Pressure
Sensor
4
19
Tilt
Sensor
20
12
13
Fuse
Assembly
Section 17 - Electrical System
Electrical Harness

Table of Contents

Other manuals for Mec Micro 13-XD

Related product manuals