EasyManua.ls Logo

Medalist Spectrum E-Tec - 6 D. Wiring Diagram

Medalist Spectrum E-Tec
50 pages
Print Icon
To Next Page IconTo Next Page
To Next Page IconTo Next Page
To Previous Page IconTo Previous Page
To Previous Page IconTo Previous Page
Loading...
23
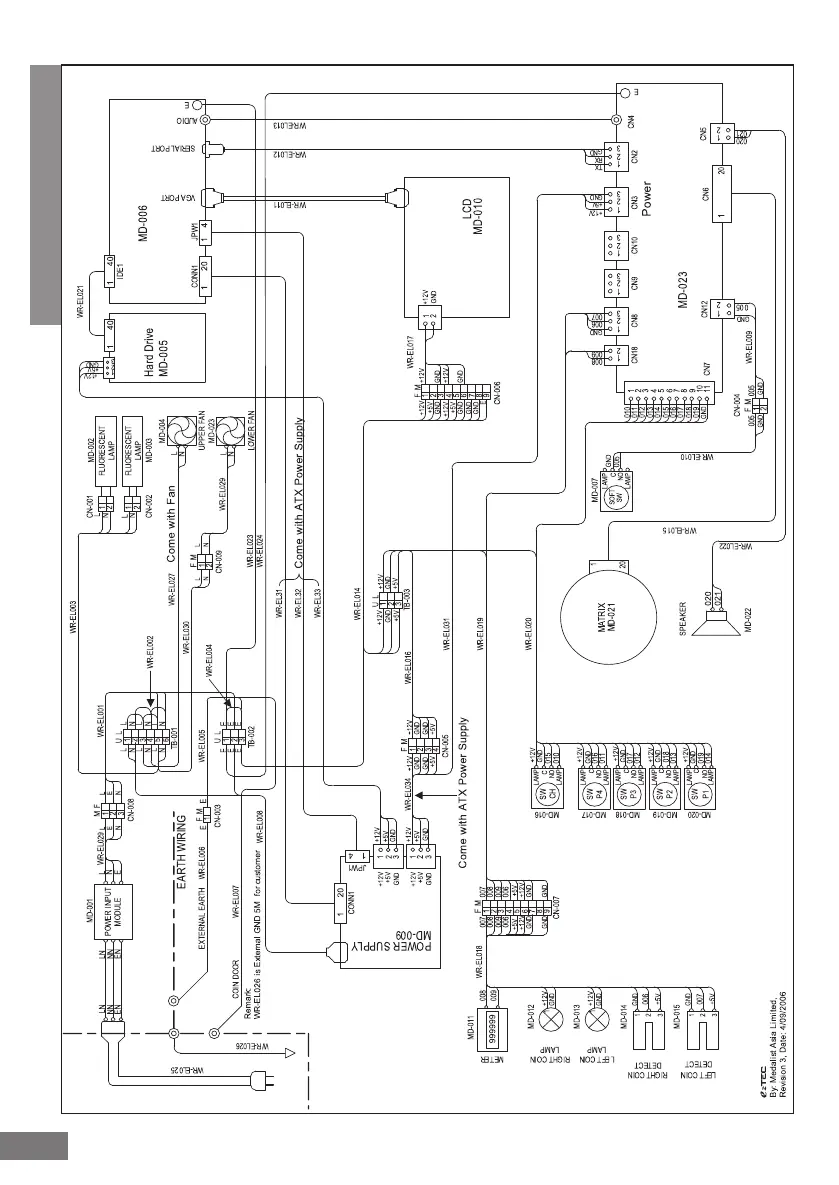
6D. Wiring Diagram
Main Board
I.O. BOARD
Top Wiring Diagram

Table of Contents

Related product manuals