EasyManua.ls Logo

medlab EG01010 - Page 4

medlab EG01010
26 pages
Print Icon
To Next Page IconTo Next Page
To Next Page IconTo Next Page
To Previous Page IconTo Previous Page
To Previous Page IconTo Previous Page
Loading...
Medlab medizinische Diagnosegeräte GmbH EG01010 User Manual
Version 1.06
4
4
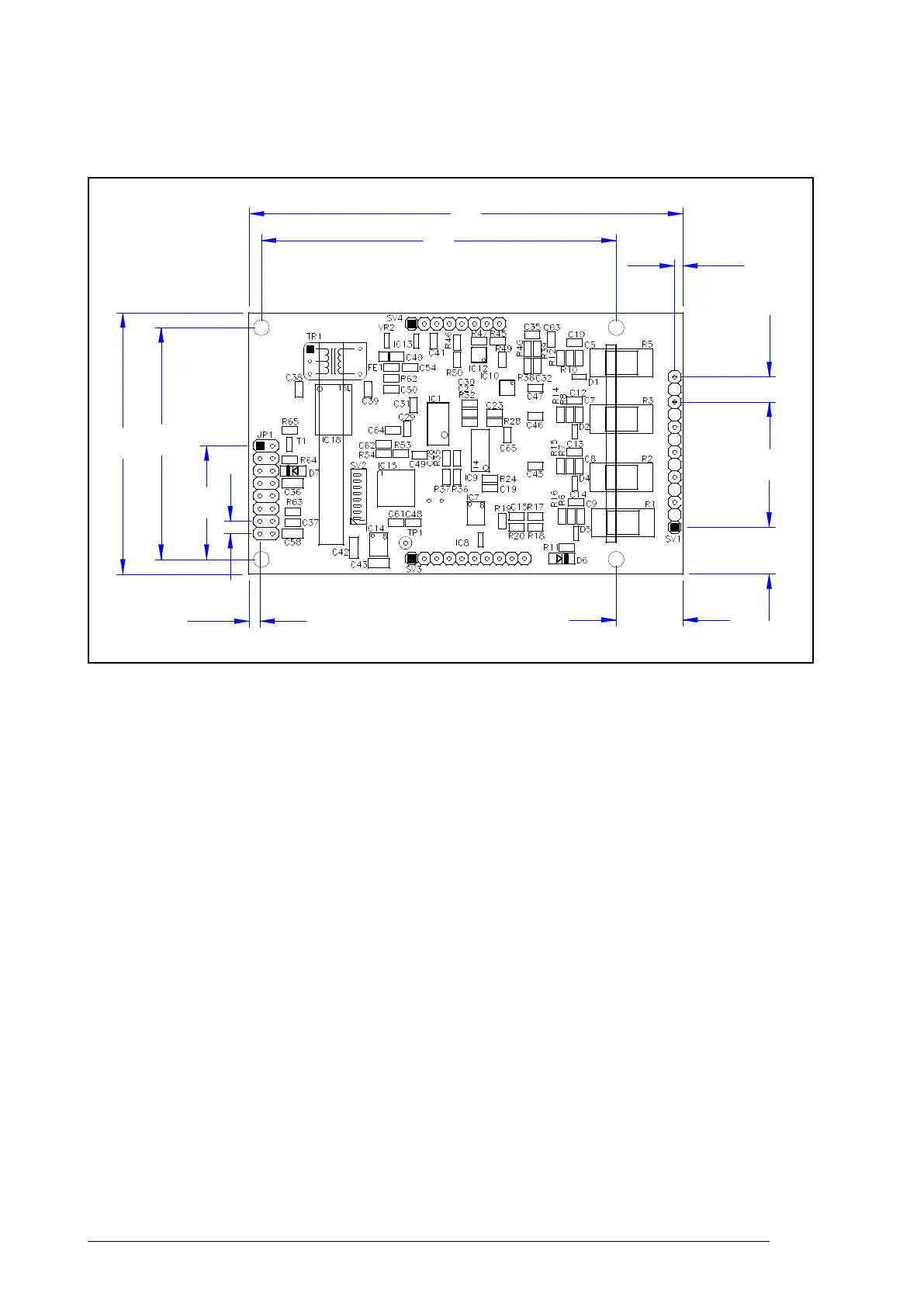
Mechanical Dimensions of the Module
Mechanical drawing, top view of the module (1:1)
All
Dimensions
in mm
13.5
9.5
2.54
23
47
53
72
88
1.6
5.08