EasyManua.ls Logo

Menvier Security MF9300 - Wiring Diagram (Fig. 3); System Wiring Connections Diagram

Menvier Security MF9300
29 pages
Print Icon
To Next Page IconTo Next Page
To Next Page IconTo Next Page
To Previous Page IconTo Previous Page
To Previous Page IconTo Previous Page
Loading...
PAGE 27
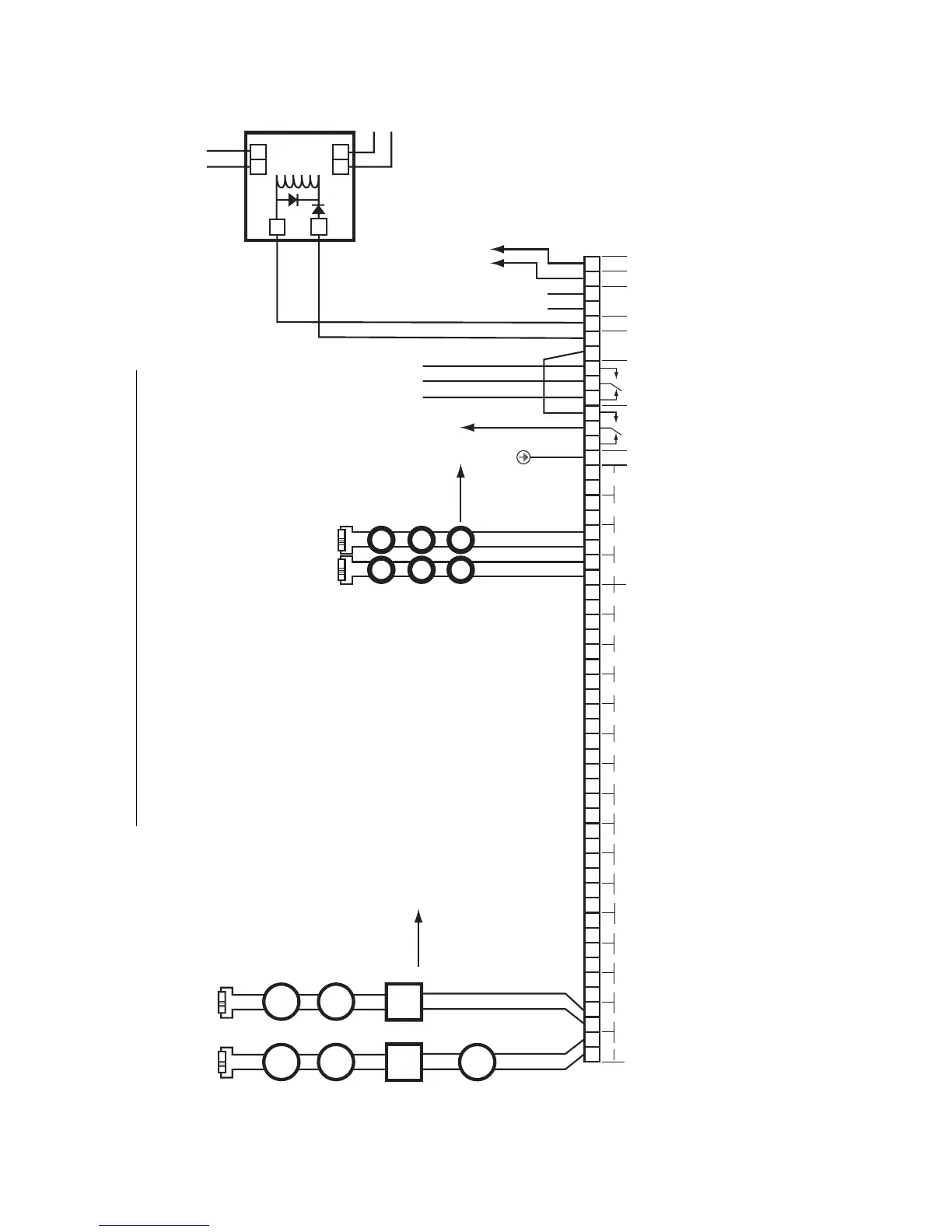
Zone
1
Zone
2
Zone
3
Zone
4
Zone
5
Zone
6
Zone
7
Zone
8
Zone
9
Zone
10
End of line 12K
resistor
End of line 12K
resistor
- +-+-+- +-+-+-+-+- +-+
Zone
11
-+
Zone
12
-+
Zone
13
-+
Zone
14
-+
Zone
15
-+
Zone
16
-+
Alarm
1
-+
Alarm
2
-+
Alarm
3
-+
Alarm
4
- +
+
-
- +
C6
C5
C6
C5
L1
L1
L1
L1
C6
C5
C6
C5
L1
L1
L1
L1
C6
C5
MDB700
+ OUT
+ IN
- 9300 OUT
MBG 913/914
Break Glass
Units
MDB700
Detector
Bases
- 9300 IN
(note 3)
L1
L1
+
+
+
Alarm
sounders
(Note 1)
And subsequent
Alarm lines
+
+
+
Earth
Auxiliary 24v DC output
Auxiliary common output (note 2)
Class change (note 2)
Repeater Transmit
Repeater Ground
Fault
Relay
Remote
Signal
Relay
NC
C
NO
NC
C
NO
To v olt free contacts
To REPEATER
PANEL
(NOTE 4)
NC
NC
C
C
-
+
230v AC
+/- 10%
50/60Hz
Heavy
duty
relay
MAR724
24v 10mA
coil
To door release units
(note 4)
To applications
requiring relay with
isolating facility
Fault
And subsequent
Zones
Fire system 9308/9316 wiring diagram
Notes
1. All sounders must be polarised and suppressed.
2. Connection details for door release units when required.
3. Polarity of connections must be observed. Use 9300 negative connections.
4. Connection details for repeater panels when required.
FIG 3